






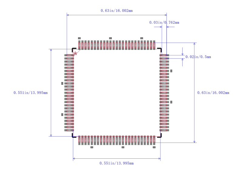
数字信号处理器和控制器 - DSP, DSC 16B 75 MIPS 2.5V 2 Serial Prts Host Prt
If you want to process analog signals, this digital signal processor from Analog Devices is going to be a must. This DSP processor has an operating temperature range of 0 °C to 70 °C. 75 MHz is its maximum speed. This is a 16 bit processor. This device has a typical operating supply voltage of 2.5|3.3 V. Its minimum operating supply voltage of 2.37 V, while its maximum is 2.63|3.6 V. It has romless program memory.



| 型号/品牌 | 代替类型 | 替代型号对比 |
|---|---|---|
ADSP-2186MKSTZ300R ADI 亚德诺 | 当前型号 | 当前型号 |
ADSP-2186MKSTZ-300 亚德诺 | 类似代替 | ADSP-2186MKSTZ300R和ADSP-2186MKSTZ-300的区别 |