













2.5V,Analog Devices低接通电阻 低失真 高速切换 低泄漏 低功率 ### 开关和多路复用器,Analog Devices
双电源 ±2.5V,Analog Devices
低接通电阻
低失真
高速切换
低泄漏
低功率
### 开关和多路复用器,Analog Devices
得捷:
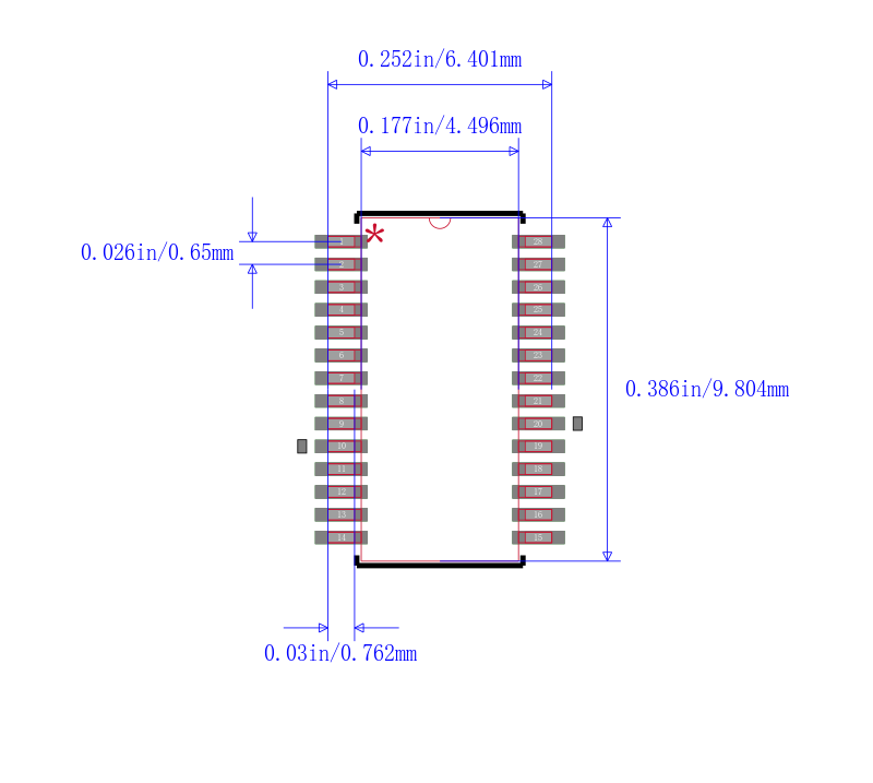
IC MULTIPLEXER 16X1 28TSSOP
立创商城:
ADG706BRUZ-REEL7
欧时:
### 双电源 ±2.5V,Analog Devices低接通电阻 低失真 高速切换 低泄漏 低功率 ### 开关和多路复用器,Analog Devices
贸泽:
多路复用开关 IC 16:1 25MHz 2.5 Ohm CMOS
艾睿:
Analog Multiplexer Single 16:1 28-Pin TSSOP T/R
Chip1Stop:
Analog Multiplexer Single 16:1 28-Pin TSSOP T/R
Verical:
Analog Multiplexer Single 16:1 28-Pin TSSOP T/R
罗切斯特:
Analog Multiplexer Single 16:1 28-Pin TSSOP T/R
Win Source:
IC MULTIPLEXER 16X1 28TSSOP




| 型号/品牌 | 代替类型 | 替代型号对比 |
|---|---|---|
ADG706BRUZ-REEL7 ADI 亚德诺 | 当前型号 | 当前型号 |
ADG706BRU-REEL7 亚德诺 | 完全替代 | ADG706BRUZ-REEL7和ADG706BRU-REEL7的区别 |
ADG706BRU-REEL 亚德诺 | 完全替代 | ADG706BRUZ-REEL7和ADG706BRU-REEL的区别 |
ADG706BRUZ 亚德诺 | 类似代替 | ADG706BRUZ-REEL7和ADG706BRUZ的区别 |