





高电压闩锁防,4 / 8通道多路复用器 High Voltage Latch-Up Proof, 4-/8-Channel Multiplexers
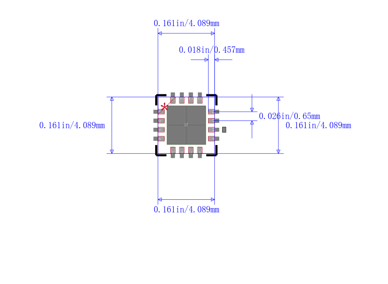
电路 IC 开关 8:1 14 欧姆 16-LFCSP-WQ(4x4)
得捷:
IC MULTIPLEXER DUAL 4:1 16LFCSP
立创商城:
ADG5408BCPZ-REEL7
艾睿:
Analog Multiplexer Single 8:1 16-Pin LFCSP EP T/R
Chip1Stop:
Analog Multiplexer Single 8:1 16-Pin LFCSP EP T/R
Verical:
Analog Multiplexer Single 8:1 16-Pin LFCSP EP T/R



