
















ANALOG DEVICES ADUM2402CRWZ 数字隔离器, 四路, 4通道, 32 ns, 2.7 V, 5.5 V, WSOIC, 16 引脚
ADuM240x/ADuM241x 系列,5kVrms 四通道数字隔离器,Analog Devices
Analog Devices 的 ADuM240x 和 ADuM241x 系列是一系列四通道数字隔离器,包含 Analog Device 的 iCoupler® 技术。 通过在这些隔离组件中结合高速 CMOS 和单片空心变压器技术,可提供优于光耦合器和其他集成耦合器设备的卓越性能。
### 特点
高隔离电压 – 5000 Vrms
双向通信
低功率操作
3V 至 5V 电平转换
精确定时特性
高共模瞬时抗扰水平: >25kV/μs
输出启用功能
### 典型应用
通用、高电压、多通道隔离
医疗设备
电源
电动机驱动
### 数字隔离器,Analog Devices
Analog Devices 的全系列数字隔离器,采用 iCoupler® 技术。 这些产品组合了高速 CMOS 和单片空气磁芯变压器技术,可提供优于备选产品类型(如光耦合产品)的出色性能特征,并具有出色的长期可靠性、稳定性和长寿命。
电源电压DC 2.70V min
上升/下降时间 2.5 ns
输出电流 ≤22.0 mA
供电电流 44.0 mA
通道数 4
针脚数 16
数据速率 90.0 Mbps
上升时间 3 ns
隔离电压 5000 Vrms
输入电流Min 10 μA
正向电压Max 5 V
下降时间Max 2.5 ns
上升时间Max 2.5 ns
工作温度Max 105 ℃
工作温度Min -40 ℃
电源电压 2.7V ~ 5.5V
电源电压Max 5.5 V
电源电压Min 2.7 V
安装方式 Surface Mount
引脚数 16
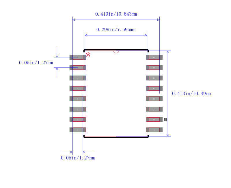
封装 SOIC-16
长度 10.5 mm
宽度 7.6 mm
封装 SOIC-16
工作温度 -40℃ ~ 105℃
产品生命周期 Active
包装方式 Tube
制造应用 Power Management, Motor Drive & Control, 医用, 电机驱动与控制, Medical, 电源管理
RoHS标准 RoHS Compliant
含铅标准 Contains Lead
REACH SVHC标准 No SVHC
REACH SVHC版本 2015/12/17
ECCN代码 EAR99




| 型号/品牌 | 代替类型 | 替代型号对比 |
|---|---|---|
ADUM2402CRWZ ADI 亚德诺 | 当前型号 | 当前型号 |
ADUM2402CRWZ-RL 亚德诺 | 类似代替 | ADUM2402CRWZ和ADUM2402CRWZ-RL的区别 |
ISO7742DWR 德州仪器 | 功能相似 | ADUM2402CRWZ和ISO7742DWR的区别 |