



















JFET 输入运算放大器Analog Devices JFET 输入运算放大器提供高输入阻抗和超低输入偏置电流。 许多这些 JFET 运算放大器适用于低噪声和高速应用。### 运算放大器,Analog Devices
单电源 JFET ,Analog Devices
一系列 Analog Devices 的 JFET 输入运算放大器适用于由单轨电源供电操作。这些运算放大器的输入共模范围包括接地(或具有双电源的负电源轨),大多数器件具有轨到轨输出。提供单、双和四路封装选项。
### 运算放大器,Analog Devices
得捷:
IC OPAMP JFET 1 CIRCUIT 8DIP
立创商城:
AD820ANZ
欧时:
Analog Devices 运算放大器 AD820ANZ, 1.9MHz增益带宽积, 6 → 28 V单电源电压, 8引脚 PDIP封装
贸泽:
精密放大器 FET INPT, SINGLE SPLY AMP
艾睿:
Op Amp Single Precision Amplifier R-R O/P ±18V/36V 8-Pin PDIP N Tube
Jameco:
OP Amp Single General Purpose Rail to Rail O/P ±18 Volt 36 Volt 8-Pin Plastic Dip N
安富利:
OP Amp Single GP R-R O/P ±18V/36V 8-Pin PDIP N
Chip1Stop:
OP Amp Single GP R-R O/P ±18V/36V 8-Pin PDIP N Tube
TME:
Operational amplifier; 1.9MHz; Channels:1; DIP8
Verical:
Op Amp Single Precision Amplifier R-R O/P ±18V/36V 8-Pin PDIP N Tube
Newark:
# ANALOG DEVICES AD820ANZ Operational Amplifier, Single, 1 Amplifier, 1.8 MHz, 3 V/µs, 5V to 36V, DIP, 8 Pins
DeviceMart:
IC OPAMP JFET R-R 1.8MHZ LP 8DIP
供电电流 700 µA
电路数 1
通道数 1
针脚数 8
耗散功率 1.6 W
共模抑制比 66 dB
输入电容 2.80 pF
带宽 1.8 MHz
转换速率 3.00 V/μs
增益频宽积 1.9 MHz
输入阻抗 10.0 TΩ
输入补偿电压 400 µV
输入偏置电流 2 pA
工作温度Max 85 ℃
工作温度Min -40 ℃
3dB带宽 1.9 MHz
增益带宽 1.8 MHz
耗散功率Max 1600 mW
共模抑制比Min 66 dB
电源电压 5V ~ 36V
电源电压Max 30 V
电源电压Min 5 V
安装方式 Through Hole
引脚数 8
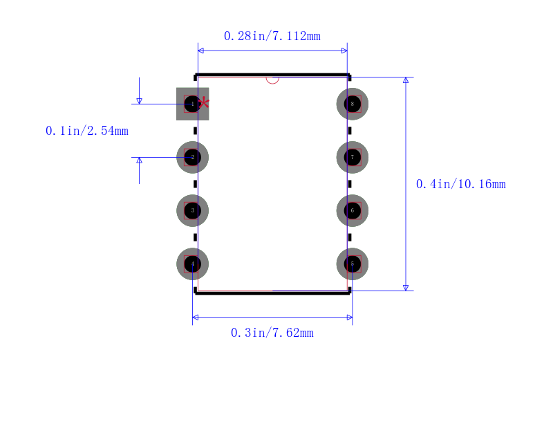
封装 PDIP-8
长度 9.27 mm
宽度 6.35 mm
高度 3.3 mm
封装 PDIP-8
工作温度 -40℃ ~ 85℃
产品生命周期 Active
包装方式 Tube
制造应用 Signal Processing, Clinical Monitoring, 医用, Wearable Health Monitoring, ECG Patient Monitoring, Health, Wellness and Fitness, Sport Watch, Sensing & Instrumentation, 电源管理, Healthcare, Power Management, 传感与仪器, Medical, 信号处理, NiBP based on ECG and PPG
RoHS标准 RoHS Compliant
含铅标准 Contains Lead
REACH SVHC标准 No SVHC
军工级 No
REACH SVHC版本 2015/12/17




| 型号/品牌 | 代替类型 | 替代型号对比 |
|---|---|---|
AD820ANZ ADI 亚德诺 | 当前型号 | 当前型号 |
TLC2201IP 德州仪器 | 功能相似 | AD820ANZ和TLC2201IP的区别 |
TLC251CP 德州仪器 | 功能相似 | AD820ANZ和TLC251CP的区别 |
TLC2201CP 德州仪器 | 功能相似 | AD820ANZ和TLC2201CP的区别 |