





3 V / + 5 V / 【 5 V CMOS 4和8通道模拟多路复用器 +3 V/+5 V/【5 V CMOS 4- and 8-Channel Analog Multiplexers
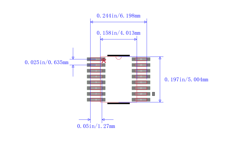
2 Circuit IC Switch 4:1 75Ohm 16-QSOP
得捷:
IC MULTIPLEXER DUAL 4X1 16QSOP
艾睿:
Analog Multiplexer Dual 4:1 Automotive 16-Pin QSOP Tube
Chip1Stop:
Analog Multiplexer Dual 4:1 Automotive 16-Pin QSOP Tube
罗切斯特:
Differential Multiplexer, 1 Func, 4 Channel, CMOS, PDSO16



| 型号/品牌 | 代替类型 | 替代型号对比 |
|---|---|---|
ADG659YRQ ADI 亚德诺 | 当前型号 | 当前型号 |
ADG659YRQZ 亚德诺 | 完全替代 | ADG659YRQ和ADG659YRQZ的区别 |
ADG708BRUZ 亚德诺 | 功能相似 | ADG659YRQ和ADG708BRUZ的区别 |
ADG658YRUZ 亚德诺 | 功能相似 | ADG659YRQ和ADG658YRUZ的区别 |