















ANALOG DEVICES ADUM1411BRWZ 数字隔离器, 四路, 4通道, 50 ns, 2.7 V, 5.5 V, SOIC, 16 引脚
ADuM141x 系列 2.5kV 四通道数字隔离器
### 数字隔离器,Analog Devices
Analog Devices 的全系列数字隔离器,采用 iCoupler® 技术。 这些产品组合了高速 CMOS 和单片空气磁芯变压器技术,可提供优于备选产品类型(如光耦合产品)的出色性能特征,并具有出色的长期可靠性、稳定性和长寿命。
得捷:
DGTL ISO 3750VRMS 4CH GP 16SOIC
立创商城:
ADUM1411BRWZ
欧时:
ADuM141x 系列 2.5kV 四通道数字隔离器### 数字隔离器,Analog DevicesAnalog Devices 的全系列数字隔离器,采用 iCoupler® 技术。 这些产品组合了高速 CMOS 和单片空气磁芯变压器技术,可提供优于备选产品类型(如光耦合产品)的出色性能特征,并具有出色的长期可靠性、稳定性和长寿命。
艾睿:
Digital Isolator CMOS 4-CH 10Mbps 16-Pin SOIC W Tube
安富利:
Digital Isolator 16-Pin SOIC W
Chip1Stop:
Digital Isolator CMOS 4-CH 10Mbps 16-Pin SOIC W Tube
TME:
Interface; digital isolator; 10Mbps; 2.7÷5.5VDC; SMD; SO16-W
Verical:
Digital Isolator CMOS 4-CH 10Mbps 16-Pin SOIC W Tube
Newark:
# ANALOG DEVICES ADUM1411BRWZ Digital Isolator, Quad, 4 Channel, 30 ns, 2.7 V, 5.5 V, SOIC, 16 Pins
力源芯城:
四通道标准数字隔离器
Win Source:
DGTL ISO 3.75KV GEN PURP 16SOIC
电源电压DC 2.70V min
工作电压 2.7V ~ 5.5V
上升/下降时间 2.5 ns
输出电流 ≤40.0 mA
供电电流 4.00 mA
通道数 4
针脚数 16
数据速率 10.0 Mbps
上升时间 2.5 ns
隔离电压 3750 Vrms
输入电流Min 10 μA
正向电压Max 5 V
下降时间Max 2.5 ns
上升时间Max 2.5 ns
工作温度Max 105 ℃
工作温度Min -40 ℃
电源电压 2.7V ~ 5.5V
电源电压Max 5.5 V
电源电压Min 2.7 V
安装方式 Surface Mount
引脚数 16
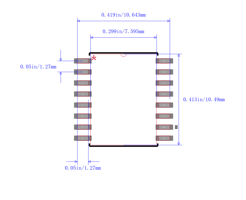
封装 SOIC-16
长度 10.5 mm
宽度 7.6 mm
封装 SOIC-16
工作温度 -40℃ ~ 105℃
产品生命周期 Active
包装方式 Tube
制造应用 Industrial, 通信与网络, 工业, Avionics, Automotive, Aerospace and Defense, Communications & Networking, Unmanned Systems, Hybrid Electric Vehicles
RoHS标准 RoHS Compliant
含铅标准 Lead Free
REACH SVHC标准 No SVHC
REACH SVHC版本 2015/12/17
ECCN代码 EAR99




| 型号/品牌 | 代替类型 | 替代型号对比 |
|---|---|---|
ADUM1411BRWZ ADI 亚德诺 | 当前型号 | 当前型号 |
ISO7741DW 德州仪器 | 功能相似 | ADUM1411BRWZ和ISO7741DW的区别 |