








配备 SPI 的 8 位、200kSPS、单通道 SAR ADC 6-SOT-23 -40 to 85
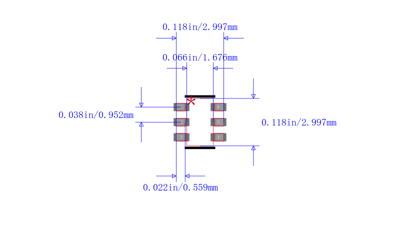
8 位模数转换器 1 输入 1 SAR SOT-23-6
立创商城:
ADC081S021CIMFX/NOPB
得捷:
IC ADC 8BIT SAR SOT23-6
德州仪器TI:
8-Bit, 200kSPS, 1-Ch SAR ADC with SPI
艾睿:
This ADC081S021CIMFX/NOPB made by Texas Instruments ADC is great for converting continuous analog signals into digital data. It has a single-ended input signal. This device&s;s digital interface is serial 3-wire, spi, qspi, microwire. This device is based on SAR architecture. This ADC has a resolution of 8bit. This ADC has an input voltage of 5.25 V. This ADC has a minimum operating temperature of -40 °C and a maximum of 85 °C.
安富利:
The ADC081S021 is a low-power, single channel CMOS 8-bit analog-to-digital converter with a high-speed serial interface. Unlike the conventional practice of specifying performance at a single sample rate only, the ADC081S021 is fully specified over a sample rate range of 50 ksps to 200 ksps. The converter is based upon a successive-approximation register architecture with an internal track-and-hold circuit.The output serial data is straight binary, and is compatible with several standards, such as SPI, QSPI, MICROWIRE, and many common DSP serial interfaces.The ADC081S021 operates with a single supply that can range from +2.7V to +5.25V. Normal power consumption using a +3.6V or +5.25V supply is 1.3 mW and 7.7 mW, respectively. The power-down feature reduces the power consumption to as low as 2.6 µW using a +5.25V supply.The ADC081S021 is packaged in 6-lead WSON and SOT-23 packages. Operation over the industrial temperature range of −40°C to +85°C is ensured.
Chip1Stop:
Single Channel Single ADC SAR 200ksps 8-bit Serial 6-Pin SOT-23 T/R
Verical:
Single Channel Single ADC SAR 200ksps 8-bit Serial 6-Pin SOT-23 T/R



| 型号/品牌 | 代替类型 | 替代型号对比 |
|---|---|---|
ADC081S021CIMFX/NOPB TI 德州仪器 | 当前型号 | 当前型号 |
ADC081S021CIMF 德州仪器 | 完全替代 | ADC081S021CIMFX/NOPB和ADC081S021CIMF的区别 |
ADC081S021CIMFX 德州仪器 | 完全替代 | ADC081S021CIMFX/NOPB和ADC081S021CIMFX的区别 |
ADC081S021CIMF/NOPB 德州仪器 | 类似代替 | ADC081S021CIMFX/NOPB和ADC081S021CIMF/NOPB的区别 |