




16位模拟数字转换器与板载参考 16-Bit ANALOG-TO-DIGITAL CONVERTER with Onboard Reference
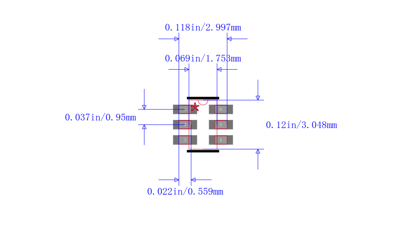
16 位模数转换器 1 输入 1 三角积分 SOT-23-6
得捷:
IC ADC 16BIT SIGMA-DELTA SOT23-6
贸泽:
Analog to Digital Converters - ADC 16-Bit 15SPS D-S
艾睿:
Single Channel Single ADC Delta-Sigma 128sps 16-bit Serial 6-Pin SOT-23 T/R



| 型号/品牌 | 代替类型 | 替代型号对比 |
|---|---|---|
ADS1110A3IDBVR TI 德州仪器 | 当前型号 | 当前型号 |
ADS1110A3IDBVT 德州仪器 | 类似代替 | ADS1110A3IDBVR和ADS1110A3IDBVT的区别 |
ADS1110A3IDBVTG4 德州仪器 | 类似代替 | ADS1110A3IDBVR和ADS1110A3IDBVTG4的区别 |
ADS1110A3IDBVRG4 德州仪器 | 类似代替 | ADS1110A3IDBVR和ADS1110A3IDBVRG4的区别 |