



8通道, 10位和12位ADC, I2CCompatible 8-Channel, 10- and 12-Bit ADCs with I2CCompatible
10 位模数转换器 8 输入 1 SAR 20-TSSOP
得捷:
IC ADC 10BIT SAR 20TSSOP
贸泽:
模数转换器 - ADC 8CH 10-Bit w/ I2C Compatible IF
艾睿:
Octal Channel Single ADC SAR 188ksps 10-bit Serial 20-Pin TSSOP T/R
安富利:
ADC Single SAR 188ksps 10-bit Serial 20-Pin TSSOP T/R
Chip1Stop:
Octal Channel Single ADC SAR 188ksps 10-bit Serial 20-Pin TSSOP T/R
电路数 1
通道数 8
位数 10
耗散功率 2.31 mW
采样率 188 ksps
功耗 2.31 mW
分辨率Bits 10.0
输入电容 30.0 pF
模数转换数ADC 1
输入数 8
工作温度Max 85 ℃
工作温度Min -40 ℃
耗散功率Max 6.05 mW
输入通道数 8
输入电压 2.5 V
安装方式 Surface Mount
引脚数 20
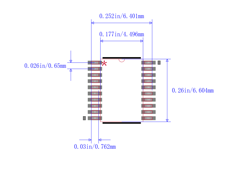
封装 TSSOP-20
长度 6.5 mm
宽度 4.4 mm
高度 1.05 mm
封装 TSSOP-20
工作温度 -40℃ ~ 85℃
产品生命周期 Active
包装方式 Tape & Reel TR
RoHS标准 Non-Compliant
含铅标准 Contains Lead
军工级 No




| 型号/品牌 | 代替类型 | 替代型号对比 |
|---|---|---|
AD7997BRU-0REEL ADI 亚德诺 | 当前型号 | 当前型号 |
AD7997BRUZ-0 亚德诺 | 完全替代 | AD7997BRU-0REEL和AD7997BRUZ-0的区别 |
AD7997BRUZ-0REEL 亚德诺 | 完全替代 | AD7997BRU-0REEL和AD7997BRUZ-0REEL的区别 |
AD7997BRU-0 亚德诺 | 完全替代 | AD7997BRU-0REEL和AD7997BRU-0的区别 |