









3 V串行输入,微功耗,10位和12位DAC 3 V Serial-Input Micropower 10-Bit and 12-Bit DACs
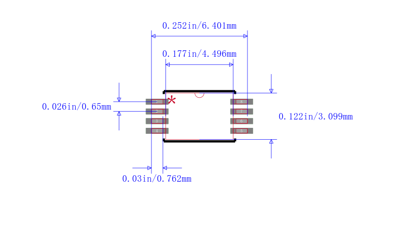
10 位 1 8-TSSOP
得捷:
IC DAC 10BIT V-OUT 8TSSOP
贸泽:
数模转换器- DAC IC 10B +3V MICROPWR
艾睿:
DAC 1-CH R-2R 10-bit Automotive 8-Pin TSSOP T/R
安富利:
DAC 1-CH R-2R 10-bit 8-Pin TSSOP T/R
Chip1Stop:
DAC 1-CH R-2R 10-bit 8-Pin TSSOP T/R
罗切斯特:
DAC 1-CH R-2R 10-bit Automotive 8-Pin TSSOP T/R



| 型号/品牌 | 代替类型 | 替代型号对比 |
|---|---|---|
AD7391ARU-REEL ADI 亚德诺 | 当前型号 | 当前型号 |
AD7391ARU 亚德诺 | 完全替代 | AD7391ARU-REEL和AD7391ARU的区别 |
AD7391ARUZ-REEL 亚德诺 | 完全替代 | AD7391ARU-REEL和AD7391ARUZ-REEL的区别 |
AD7391ARUZ 亚德诺 | 类似代替 | AD7391ARU-REEL和AD7391ARUZ的区别 |