












12位, 52 kSPS时,随着模拟数字转换器, MUX , PGA和引用数据采集系统 12-BIT, 52-kSPS, DATA ACQUISITION SYSTEM WITH ANALOG-TO-DIGITAL CONVERTER, MUX, PGA, AND REFERENCE
Converting digital signals from analog is easy with Texas Instruments" ADC. This device"s digital interface is serial 2-wire, 3-wire, spi, qspi, microwire. This device is based on SAR architecture. Its maximum power dissipation is 8.5 mW. It has a single-ended and differential input signal. This ADC has a resolution of 12bit. This ADC has an input voltage of 5.7 V. This ADC has a minimum operating temperature of -40 °C and a maximum of 85 °C.
电源电压DC 2.70V min
供电电流 1.20 mA
电路数 1
通道数 8
位数 12
耗散功率 6 mW
采样率 52 ksps
功耗 6 mW
模数转换数ADC 1
工作温度Max 85 ℃
工作温度Min -40 ℃
耗散功率Max 8.5 mW
输入通道数 4, 8
电源电压 2.7V ~ 5.5V
输入电压 5.7 V
安装方式 Surface Mount
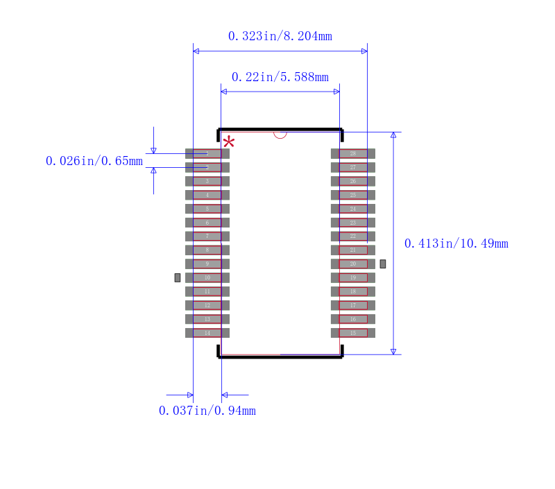
引脚数 28
封装 SSOP-28
长度 10.2 mm
宽度 5.3 mm
高度 1.95 mm
封装 SSOP-28
工作温度 -40℃ ~ 85℃
产品生命周期 Active
包装方式 Tape & Reel TR
RoHS标准 RoHS Compliant
含铅标准 Lead Free



| 型号/品牌 | 代替类型 | 替代型号对比 |
|---|---|---|
ADS7870EA/1K TI 德州仪器 | 当前型号 | 当前型号 |
ADS7871IDB 德州仪器 | 类似代替 | ADS7870EA/1K和ADS7871IDB的区别 |
ADS7870EA 德州仪器 | 类似代替 | ADS7870EA/1K和ADS7870EA的区别 |
ADS7870EAG4 德州仪器 | 类似代替 | ADS7870EA/1K和ADS7870EAG4的区别 |