





低噪声微功率2.5 V至4.096 V精密电压基准 Low Noise Micropower 2.5 V and 4.096 V Precision Voltage References
GENERAL DESCRIPTION
The ADR291 and ADR292 are low noise, micropower precision voltage references that use an XFET® reference circuit. The new XFET architecture offers significant performance improvements over traditional band gap and buried Zener-based references. Improvements include one quarter the voltage noise output of band gap references operating at the same current, very low and ultralinear temperature drift, low thermal hysteresis, and excellent long-term stability.
The ADR291/ADR292 family is a series of voltage references providing stable and accurate output voltages from supplies as low as 2.8 V for the ADR291. Output voltage options are 2.5 V and 4.096 V for the ADR291 and ADR292, respectively.
FEATURES
Supply range
2.8 V to 15 V, ADR291
4.4 V to 15 V, ADR292
Supply current: 15 μA maximum
Low noise: 8 μV and 12 μV p-p 0.1 Hz to 10 Hz
High output current: 5 mA
Temperature range: −40°C to +125°C
Pin-compatible with REF02/REF19x
APPLICATIONS
Portable instrumentation
Precision reference for 3 V and 5 V systems
Analog-to-digital and digital-to-analog converter reference
Solar-powered applications
Loop-current-powered instruments
容差 ±0.08 %
输入电压DC 15.0V max
输出电压 2.5 V
输出电流 5 mA
供电电流 15 µA
通道数 1
输入电压Max 18 V
输出电压Min 2.5 V
输出电流Max 5 mA
工作温度Max 125 ℃
工作温度Min -40 ℃
输入电压 3V ~ 15V
安装方式 Surface Mount
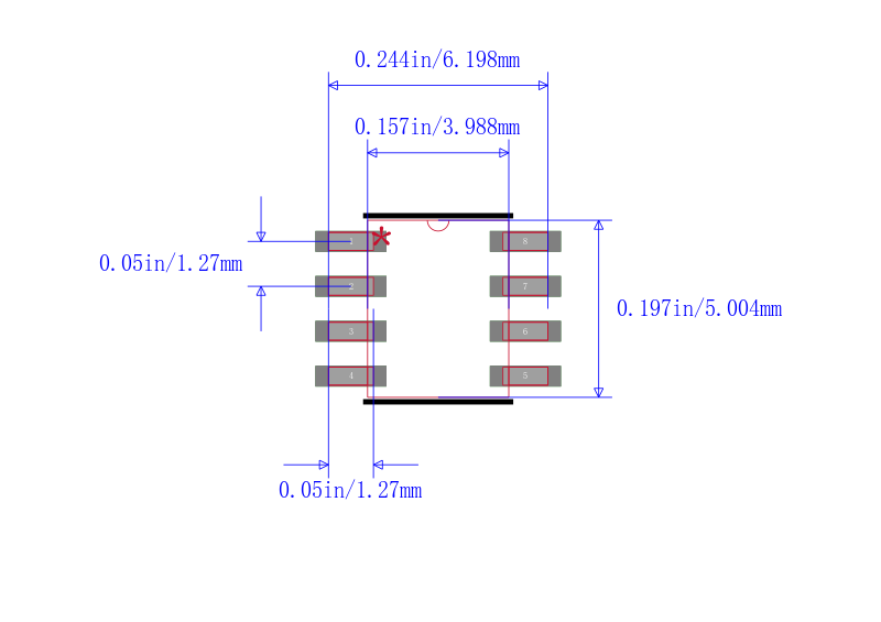
引脚数 8
封装 SOIC-8
长度 5 mm
宽度 4 mm
高度 1.5 mm
封装 SOIC-8
工作温度 -40℃ ~ 125℃ TA
温度系数 ±10 ppm/℃
产品生命周期 Active
包装方式 Tape & Reel TR
RoHS标准 RoHS Compliant
含铅标准 Contains Lead




| 型号/品牌 | 代替类型 | 替代型号对比 |
|---|---|---|
ADR291ERZ-REEL7 ADI 亚德诺 | 当前型号 | 当前型号 |
AD680JRZ 亚德诺 | 类似代替 | ADR291ERZ-REEL7和AD680JRZ的区别 |
ADR291FRZ 亚德诺 | 类似代替 | ADR291ERZ-REEL7和ADR291FRZ的区别 |
AD680ARZ-REEL7 亚德诺 | 类似代替 | ADR291ERZ-REEL7和AD680ARZ-REEL7的区别 |