

超低导通电阻,低电压,单电源,双路SPDT模拟开关 Ultra Low ON-Resistance, Low Voltage, Single Supply, Dual SPDT Analog Switch
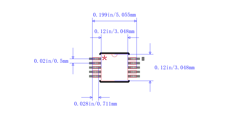
2 Circuit IC Switch 2:1 500mOhm 10-MSOP
得捷:
SPDT ANALOG SWITCH, 2 FUNC, 2 CH
Chip1Stop:
Analog Switch Dual SPDT 10-Pin MSOP



| 型号/品牌 | 代替类型 | 替代型号对比 |
|---|---|---|
ISL84684IU-T Intersil 英特矽尔 | 当前型号 | 当前型号 |
ISL84684IUZ-T 英特矽尔 | 完全替代 | ISL84684IU-T和ISL84684IUZ-T的区别 |
ISL84684IU 英特矽尔 | 完全替代 | ISL84684IU-T和ISL84684IU的区别 |
TS3A24159DGSRG4 德州仪器 | 类似代替 | ISL84684IU-T和TS3A24159DGSRG4的区别 |