









ARM7 系列微控制器,NXP一系列 NXP 微控制器,基于 16/32 位 ARM7TDMI-S CPU ,带实时仿真和嵌入式追踪支持,将微控制器与 32 kB、64 kB、128 kB、256 kB 和 512 KB 嵌入式高速闪存相结合。 128 位宽存储器接口和独特的加速器体系结构实现在最大时钟频率时使用 32 位代码。高集成和低功耗 一系列串行通信接口和片上 SRAM 选项 备选 16 位 Thumb 模式将代码缩小 30%,而性能削弱最少。 32 位计时器,PWM 通道和多达 47 条 GPIO 线路 适用于工业控制和医疗系统 ### ARM7/9 微控制器,NXP
ARM7 系列,
一系列 NXP 微控制器,基于 16/32 位 ARM7TDMI-S CPU ,带实时仿真和嵌入式追踪支持,将微控制器与 32 kB、64 kB、128 kB、256 kB 和 512 KB 嵌入式高速闪存相结合。 128 位宽存储器接口和独特的加速器体系结构实现在最大时钟频率时使用 32 位代码。
高集成和低功耗
一系列串行通信接口和片上 SRAM 选项
备选 16 位 Thumb 模式将代码缩小 30%,而性能削弱最少。
32 位计时器,PWM 通道和多达 47 条 GPIO 线路
适用于工业控制和医疗系统
电源电压DC 3.00V min
工作电压 3V ~ 3.6V
针脚数 64
时钟频率 60 MHz
RAM大小 16 KB
FLASH内存容量 65536 B
模数转换数ADC 2
输入/输出数 47 Input
工作温度Max 85 ℃
工作温度Min -40 ℃
电源电压Max 3.6 V
电源电压Min 3 V
安装方式 Surface Mount
引脚数 64
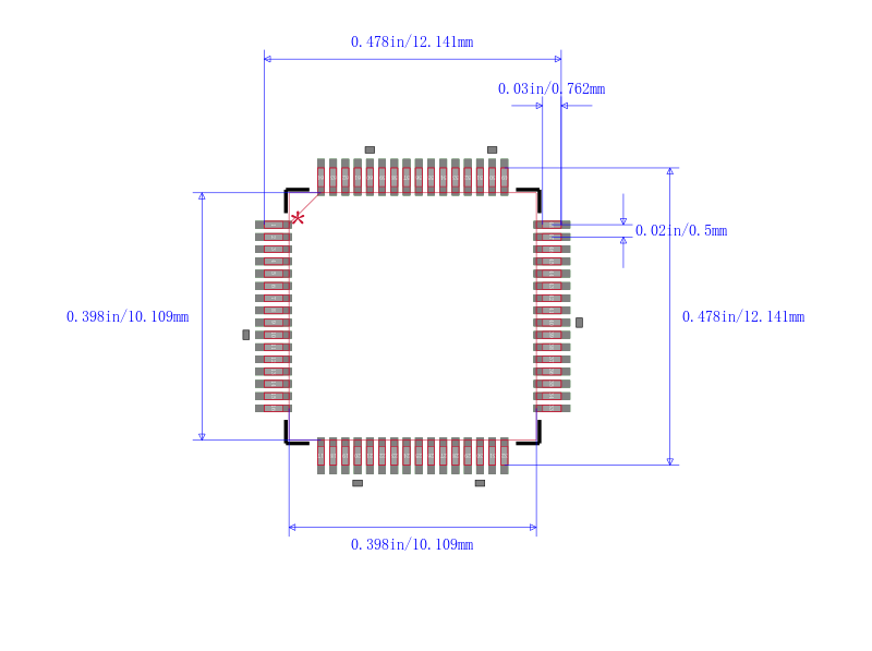
封装 LQFP-64
长度 10.1 mm
宽度 10.1 mm
高度 1.45 mm
封装 LQFP-64
工作温度 -40℃ ~ 85℃
产品生命周期 Unknown
包装方式 Each
制造应用 Industrial, 医用, Medical, 成像, 视频和目视, 通信与网络, Automation & Process Control, 自动化与过程控制, Communications & Networking, 工业, Audio, Imaging, Video & Vision, 音频
RoHS标准 RoHS Compliant
含铅标准 Lead Free
REACH SVHC标准 No SVHC
REACH SVHC版本 2015/12/17



| 型号/品牌 | 代替类型 | 替代型号对比 |
|---|---|---|
LPC2132FBD64 NXP 恩智浦 | 当前型号 | 当前型号 |
LPC2132FBD64/01,15 恩智浦 | 类似代替 | LPC2132FBD64和LPC2132FBD64/01,15的区别 |
LPC2132FBD64/01 恩智浦 | 类似代替 | LPC2132FBD64和LPC2132FBD64/01的区别 |
LPC2132FBD64/01,11 恩智浦 | 类似代替 | LPC2132FBD64和LPC2132FBD64/01,11的区别 |