











TEXAS INSTRUMENTS LM2594MX-5.0/NOPB 芯片, 直流/直流转换器 输出5V 0.5A
The LM2594xx series of regulators are monolithic integrated circuits that provide all the active functions for a step-down buck switching regulator, capable of driving a 0.5-A load with excellent line and load regulation. These devices are available in fixed output voltages of 3.3 V, 5 V, 12 V, and an adjustable output version, and are packaged in a 8-pin PDIP and a 8-pin surface-mount SOIC package.
Requiring a minimum number of external components, these regulators are simple to use and feature internal frequency compensation, a fixed-frequency oscillator, and improved line and load regulation specifications.
The LM2594xx series operates at a switching frequency of 150-kHz, thus allowing smaller-sized filter components than what would be needed with lower-frequency switching regulators. Because of its high efficiency, the copper traces on the printed-circuit board are normally the only heat sinking needed.
A standard series of inductors both through-hole and surface-mount types are available from several different manufacturers optimized for use with the LM2594xx series. This feature greatly simplifies the design of switch-mode power supplies.
Other features include an ensured ±4% tolerance on output voltage under all conditions of input voltage and output load conditions, and ±15% on the oscillator frequency. External shutdown is included, featuring typically 85-µA standby current. Self-protection features include a two stage frequency reducing current limit for the output switch and an overtemperature shutdown for complete protection under fault conditions.
The LM2594HV is for applications requiring an input voltage up to 60 V.
频率 150 kHz
输出接口数 1
输出电压 5 V
输出电流 500 mA
通道数 1
针脚数 8
静态电流 5.00 mA
调节输出数 1
开关频率 150 kHz
拓扑结构 Buck
输入电压Max 40 V
输入电压Min 4.5 V
输出电压Min 5 V
输出电流Max 0.5 A
工作温度Max 125 ℃
工作温度Min -40 ℃
电源电压 4.5 V
电源电压Min 4.5 V
输入电压 4.5V ~ 40V
安装方式 Surface Mount
引脚数 8
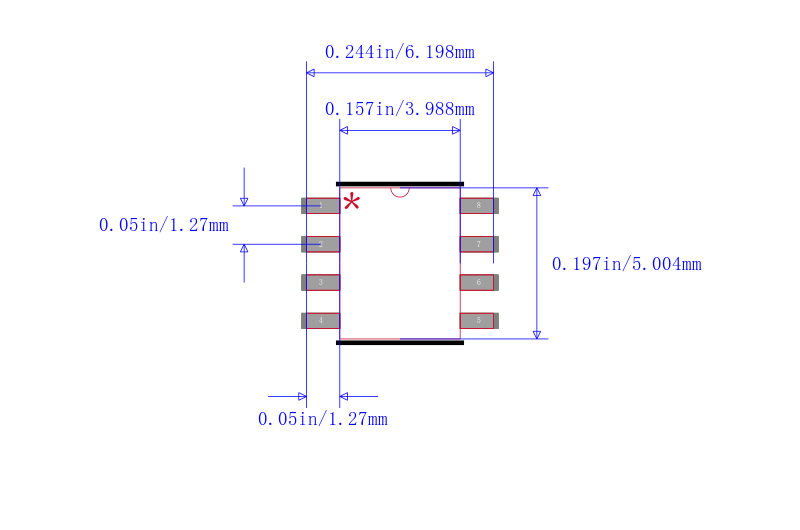
封装 SOIC-8
封装 SOIC-8
工作温度 -40℃ ~ 125℃
产品生命周期 Active
包装方式 Tape & Reel TR
制造应用 电源管理, 工业
RoHS标准 RoHS Compliant
含铅标准 Lead Free
REACH SVHC版本 2015/06/15



| 型号/品牌 | 代替类型 | 替代型号对比 |
|---|---|---|
LM2594MX-5.0/NOPB TI 德州仪器 | 当前型号 | 当前型号 |
LM2594M-5.0/NOPB 德州仪器 | 完全替代 | LM2594MX-5.0/NOPB和LM2594M-5.0/NOPB的区别 |
LM2597M-5.0/NOPB 德州仪器 | 完全替代 | LM2594MX-5.0/NOPB和LM2597M-5.0/NOPB的区别 |
LM2594M-5.0 德州仪器 | 完全替代 | LM2594MX-5.0/NOPB和LM2594M-5.0的区别 |