








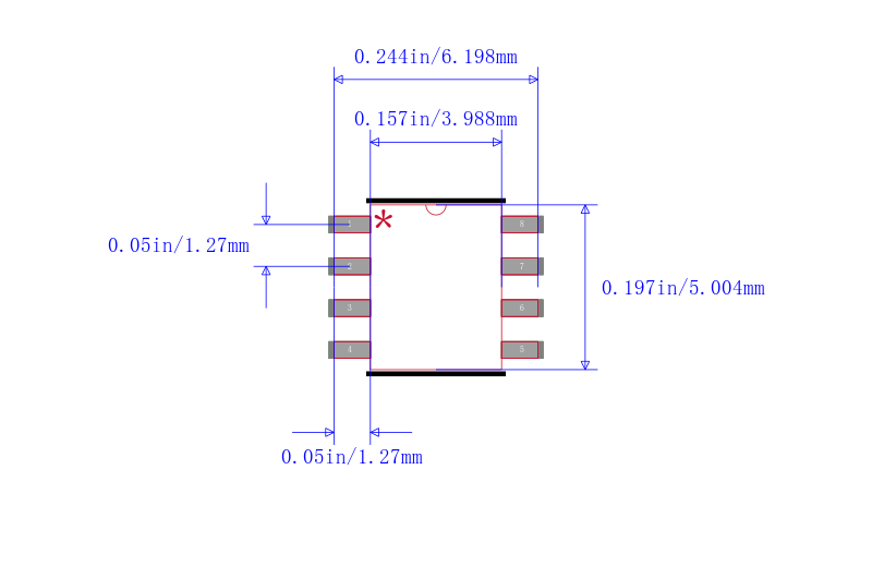
具有风扇控制功能的 3°C 双路输出电阻可编程温度开关 8-SOIC -40 to 125
This temperature and humidity sensor developed by Texas Instruments will double up ambient condition reader into one sensor. It has a digital output. This device"s minimum operating supply voltage of 2.7 V, while its maximum is 10 V. This part has a minimum operating temperature of -40 °C and a maximum of 125 °C. In order to ensure safe delivery and enable quick mounting of this component after delivery, it will be encased in tape and reel packaging during shipment.



| 型号/品牌 | 代替类型 | 替代型号对比 |
|---|---|---|
LM56BIMX/NOPB TI 德州仪器 | 当前型号 | 当前型号 |
LM56CIMX/NOPB 德州仪器 | 完全替代 | LM56BIMX/NOPB和LM56CIMX/NOPB的区别 |
LM56BIM/NOPB 德州仪器 | 类似代替 | LM56BIMX/NOPB和LM56BIM/NOPB的区别 |
LM56CIM/NOPB 德州仪器 | 类似代替 | LM56BIMX/NOPB和LM56CIM/NOPB的区别 |