










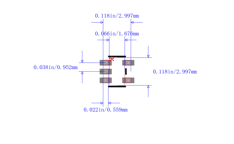
具有模拟输出的 ±3°C、出厂预设跳变点温度开关 5-SOT-23 -55 to 125
恒温器 85°C 低有效 开路漏极 SOT-23-5
得捷:
THERMOSTAT 85DEGC ACT LO SOT23-5
立创商城:
LM26CIM5X-TPA/NOPB
德州仪器TI:
±3°C Factory preset trip point temperature switch with analog output
贸泽:
Thermostats Accurate Factory Preset Thermostat
艾睿:
Temp Sensor Digital 5-Pin SOT-23 T/R
安富利:
Thermostat ±4°C Digital SMD 5-Pin SOT-23 T/R
Chip1Stop:
Temp Sensor Digital 5-Pin SOT-23 T/R
Verical:
Temp Sensor Digital 5-Pin SOT-23 T/R
Win Source:
IC THERMOSTAT PRESET SOT23-5



| 型号/品牌 | 代替类型 | 替代型号对比 |
|---|---|---|
LM26CIM5X-TPA/NOPB TI 德州仪器 | 当前型号 | 当前型号 |
LM26CIM5-TPA/NOPB 德州仪器 | 完全替代 | LM26CIM5X-TPA/NOPB和LM26CIM5-TPA/NOPB的区别 |
LM26CIM5-TPA 德州仪器 | 完全替代 | LM26CIM5X-TPA/NOPB和LM26CIM5-TPA的区别 |
LM26CIM5X-TPA 德州仪器 | 完全替代 | LM26CIM5X-TPA/NOPB和LM26CIM5X-TPA的区别 |