




















LM75 数字温度传感器和热监看器LM75 是数字输出温度传感器,具有 9 位分辨率。 应用包括热管理、通信基础设施、电子测试设备和环境监控。温度测量范围:-55 至 +125°C 精确度:超过 -25 至 +100°C 时 ±2°C 转换时间(最大值):300ms 通信:串行 I²C 总线,寻址多达 8 个设备 独立恒温器模式 关闭模式 电源:+2.7V 至 +5.5V 直流 LM75A,+3.0V 至 +5.5V 直流 LM75B **RS 产品代码** 761-6065 LM75AIM/NOPB SOIC8 921-7024 LM75AIM/NOPB SOIC8(每包 95 个) 811-5709 LM75AIMM/NOPB VSSOP8 824-6958 LM75AIMME/NOPB VSSOP8 504-5648 LM75BIM-5/NOPB SOIC8 121-8648 LM75BIM-5/NOPB SOIC8(每包 95 个) 504-5632 LM75BIM-3/NOPB SOIC8 504-5654 LM75BIMM-3/NOPB VSSOP8 824-6967 LM75BIMX-3/NOPB SOIC8 ### 认可UL 认证 LM75B### 温度和湿度传感器,Texas Instruments
LM75 数字温度和热监看器
LM75 是数字输出,具有 9 位分辨率。 应用包括热管理、通信基础设施、电子测试设备和环境监控。
温度测量范围:-55 至 +125°C
精确度:超过 -25 至 +100°C 时 ±2°C
转换时间(最大值):300ms
通信:串行 I²C 总线,寻址多达 8 个设备
独立恒温器模式
关闭模式
电源:+2.7V 至 +5.5V 直流 LM75A,+3.0V 至 +5.5V 直流 LM75B
**RS 产品代码**
761-6065 LM75AIM/NOPB SOIC8
921-7024 LM75AIM/NOPB SOIC8(每包 95 个)
811-5709 LM75AIMM/NOPB VSSOP8
824-6958 LM75AIMME/NOPB VSSOP8
504-5648 LM75BIM-5/NOPB SOIC8
121-8648 LM75BIM-5/NOPB SOIC8(每包 95 个)
504-5632 SOIC8
504-5654 LM75BIMM-3/NOPB VSSOP8
824-6967 LM75BIMX-3/NOPB SOIC8
### 认可
UL 认证 LM75B
电源电压DC 3.00V min
供电电流 0.5 mA
针脚数 8
位数 9
静态电流 500 µA
工作温度Max 125 ℃
工作温度Min -55 ℃
精度 ±3℃ Max
电源电压 3V ~ 5.5V
电源电压Max 5.5 V
电源电压Min 3 V
安装方式 Surface Mount
引脚数 8
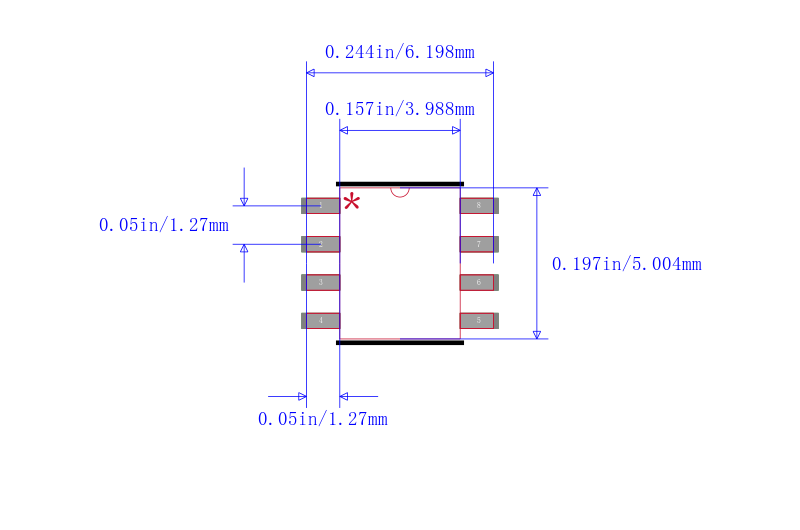
封装 SOIC-8
长度 4.9 mm
宽度 3.9 mm
高度 1.45 mm
封装 SOIC-8
工作温度 -55℃ ~ 125℃
产品生命周期 Active
包装方式 Tube
制造应用 电源管理, 测试与测量, 通信与网络
RoHS标准 RoHS Compliant
含铅标准 Lead Free
REACH SVHC标准 No SVHC
REACH SVHC版本 2015/06/15
ECCN代码 EAR99



| 型号/品牌 | 代替类型 | 替代型号对比 |
|---|---|---|
LM75BIM-3/NOPB TI 德州仪器 | 当前型号 | 当前型号 |
LM75BIMX-5/NOPB 德州仪器 | 完全替代 | LM75BIM-3/NOPB和LM75BIMX-5/NOPB的区别 |
LM75BIMMX-5/NOPB 德州仪器 | 完全替代 | LM75BIM-3/NOPB和LM75BIMMX-5/NOPB的区别 |