










额定电压DC 15.0 V
额定电流 50.0 mA
通道数 5
极性 NPN
耗散功率 750 mW
击穿电压集电极-发射极 15 V
驱动器/包 5
集电极最大允许电流 0.05A
最小电流放大倍数hFE 40 @1mA, 3V
额定功率Max 750 mW
直流电流增益hFE 100
工作温度Max 85 ℃
耗散功率Max 750 mW
安装方式 Surface Mount
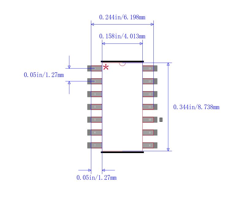
引脚数 14
封装 SOIC-14
封装 SOIC-14
工作温度 -40℃ ~ 85℃ TA
产品生命周期 Active
包装方式 Tube
RoHS标准 Non-Compliant
含铅标准 Contains Lead
REACH SVHC版本 2015/06/15



| 型号/品牌 | 代替类型 | 替代型号对比 |
|---|---|---|
LM3046M TI 德州仪器 | 当前型号 | 当前型号 |
LM3046M/NOPB 德州仪器 | 完全替代 | LM3046M和LM3046M/NOPB的区别 |
LM3046MX 德州仪器 | 完全替代 | LM3046M和LM3046MX的区别 |
LM3046MX/NOPB 德州仪器 | 类似代替 | LM3046M和LM3046MX/NOPB的区别 |