LTC1541IDD

LTC1541IDD图片1
LTC1541IDD图片2
LTC1541IDD图片3
LTC1541IDD图片4
LTC1541IDD图片5
LTC1541IDD中文资料参数规格
技术参数

电路数 1

通道数 1

转换速率 8.00 V/μs

增益频宽积 12.0 kHz

工作温度Max 85 ℃

工作温度Min -40 ℃

封装参数

安装方式 Surface Mount

引脚数 8

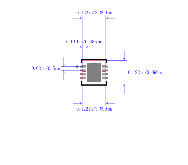
封装 DFN-8

外形尺寸

高度 0.75 mm

封装 DFN-8

其他

产品生命周期 Unknown

包装方式 Tube

符合标准

RoHS标准 Non-Compliant

含铅标准 Contains Lead

数据手册

LTC1541IDD引脚图与封装图
LTC1541IDD引脚图
LTC1541IDD封装图
LTC1541IDD封装焊盘图
在线购买LTC1541IDD
型号: LTC1541IDD
制造商: Linear Technology 凌力尔特
描述:IC OPAMP/COMP/REF MICROPWR 8-DFN

 锐单商城 - 一站式电子元器件采购平台  

 深圳锐单电子有限公司