LMR932FVJ-GE2

LMR932FVJ-GE2图片1
LMR932FVJ-GE2图片2
LMR932FVJ-GE2图片3
LMR932FVJ-GE2概述

Ic Op Amp Full Swing 8tssop

Amplifier Circuit


立创商城:
LMR932FVJ-GE2


得捷:
IC OPAMP GP 2 CIRCUIT 8TSSOP


贸泽:
Operational Amplifiers - Op Amps


LMR932FVJ-GE2中文资料参数规格
技术参数

供电电流 135 µA

电路数 2

通道数 2

共模抑制比 94 dB

增益频宽积 1.4 MHz

输入补偿电压 1 mV

输入偏置电流 5 nA

工作温度Max 85 ℃

工作温度Min 40 ℃

电源电压Max 7 V

电源电压Min 1.8 V

封装参数

安装方式 Surface Mount

封装 TSSOP-8

外形尺寸

封装 TSSOP-8

物理参数

工作温度 -40℃ ~ 85℃

其他

产品生命周期 Discontinued at Digi-Key

包装方式 Tape & Reel TR

符合标准

RoHS标准 RoHS Compliant

含铅标准 Lead Free

数据手册

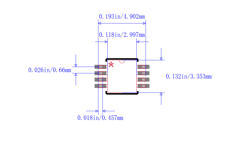
LMR932FVJ-GE2引脚图与封装图
LMR932FVJ-GE2引脚图
LMR932FVJ-GE2封装图
LMR932FVJ-GE2封装焊盘图
在线购买LMR932FVJ-GE2
型号: LMR932FVJ-GE2
制造商: ROHM Semiconductor 罗姆半导体
描述:Ic Op Amp Full Swing 8tssop

 锐单商城 - 一站式电子元器件采购平台  

 深圳锐单电子有限公司