







LM158 / LM258 / LM358 / LM2904低功耗双运算放大器 LM158/LM258/LM358/LM2904 Low Power Dual Operational Amplifiers
通用 放大器 2 电路 - 8-SOIC
得捷:
LM2904-N LOW POWER DUAL OPERATIO
贸泽:
Operational Amplifiers - Op Amps LOW PWR DUAL OP AMP
艾睿:
Op Amp Dual Low Power Amplifier ±13V/26V 8-Pin SOIC T/R
Chip1Stop:
OP Amp Dual GP ±13V/26V 8-Pin SOIC T/R
Verical:
Op Amp Dual Low Power Amplifier ±13V/26V 8-Pin SOIC T/R
输出电流 40mA @15V
供电电流 1 mA
电路数 2
通道数 2
耗散功率 0.53 W
共模抑制比 50 dB
输入补偿漂移 7.00 µV/K
转换速率 100 mV/μs
增益频宽积 1 MHz
输入补偿电压 2 mV
输入偏置电流 45 nA
工作温度Max 85 ℃
工作温度Min -40 ℃
增益带宽 1 MHz
耗散功率Max 530 mW
共模抑制比Min 50 dB
电源电压Max 32 V
电源电压Min 3 V
安装方式 Surface Mount
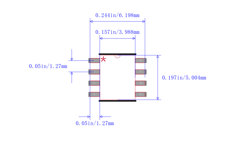
引脚数 8
封装 SOIC-8
封装 SOIC-8
工作温度 -40℃ ~ 85℃
产品生命周期 Active
包装方式 Tape & Reel TR
RoHS标准 Non-Compliant
含铅标准 Contains Lead



| 型号/品牌 | 代替类型 | 替代型号对比 |
|---|---|---|
LM2904MX TI 德州仪器 | 当前型号 | 当前型号 |
LM2904M/NOPB 德州仪器 | 完全替代 | LM2904MX和LM2904M/NOPB的区别 |
LM2904MX/NOPB 德州仪器 | 完全替代 | LM2904MX和LM2904MX/NOPB的区别 |
LM2904M 德州仪器 | 类似代替 | LM2904MX和LM2904M的区别 |