









精密 CMOS 输入 RRIO 宽电源电压范围四通道放大器 14-SOIC
通用 放大器 电路 满摆幅 14-SOIC
得捷:
IC OPAMP GP 4 CIRCUIT 14SOIC
德州仪器TI:
Precision, CMOS Input, RRIO, Wide Supply Range Quad Amplifier
艾睿:
Increase functionality to your control circuit with this general purpose amplifier LMP7704MAX/NOPB OP amp from Texas Instruments. This op amp has a minimum operating temperature of -40 °C and a maximum of 125 °C. It has 4 channels per chip. This device uses a single power supply. This device is made with CMOS technology.
安富利:
OP Amp Quad GP R-R I/O 12V 14-Pin SOIC N T/R
Verical:
Op Amp Quad Precision Amplifier R-R I/O 12V 14-Pin SOIC T/R
输出电流 40mA @5V
供电电流 3.2 mA
电路数 4
通道数 4
共模抑制比 86 dB
输入补偿漂移 1.00 µV/K
转换速率 1.00 V/μs
增益频宽积 2.5 MHz
输入补偿电压 37 µV
输入偏置电流 0.2 pA
工作温度Max 125 ℃
工作温度Min -40 ℃
增益带宽 2.5 MHz
共模抑制比Min 86 dB
安装方式 Surface Mount
引脚数 14
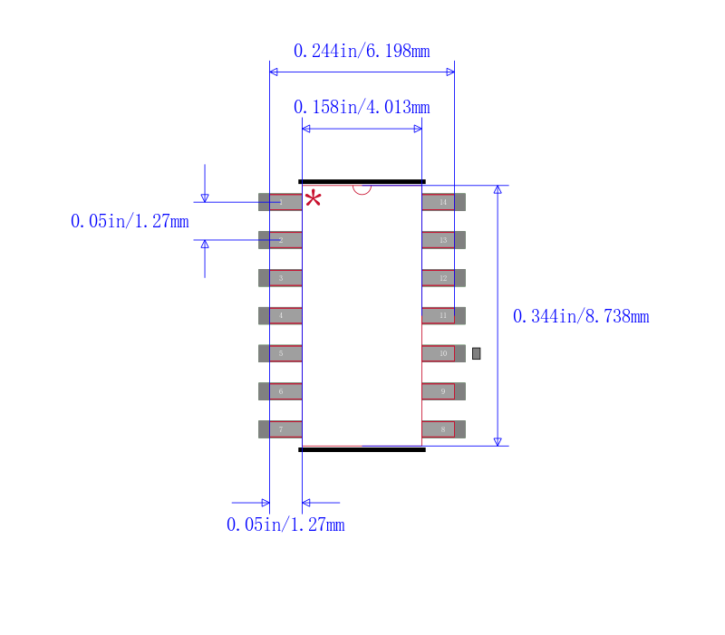
封装 SOIC-14
封装 SOIC-14
工作温度 -40℃ ~ 125℃
产品生命周期 Active
包装方式 Tape & Reel TR
RoHS标准 RoHS Compliant
含铅标准 Lead Free



| 型号/品牌 | 代替类型 | 替代型号对比 |
|---|---|---|
LMP7704MAX/NOPB TI 德州仪器 | 当前型号 | 当前型号 |
LMP7704MA/NOPB 德州仪器 | 完全替代 | LMP7704MAX/NOPB和LMP7704MA/NOPB的区别 |