









LINEAR TECHNOLOGY LT1999CMS8-20#PBF Current Sense Amplifier, High Voltage, 2 Amplifier, 137.5μA, MSOP, 8Pins, 0 °C, 70℃
"s current sense amplifier differential amplifier will easily be able to amplify audio signals using two channels. This part has a minimum operating temperature of 0 °C and a maximum of 70 °C. It has a single channel per chip. This device uses a single power supply.
电源电压DC 4.50V min
供电电流 5.8 mA
电路数 1
共模抑制比 120 dB
带宽 2 MHz
转换速率 3.00 V/μs
输入补偿电压 1.5 mV
输入偏置电流 137.5 µA
工作温度Max 70 ℃
工作温度Min 0 ℃
3dB带宽 2 MHz
增益带宽 75 dB
共模抑制比Min 75dB ~ 85dB
电源电压Max 5.5 V
电源电压Min 4.5 V
安装方式 Surface Mount
引脚数 8
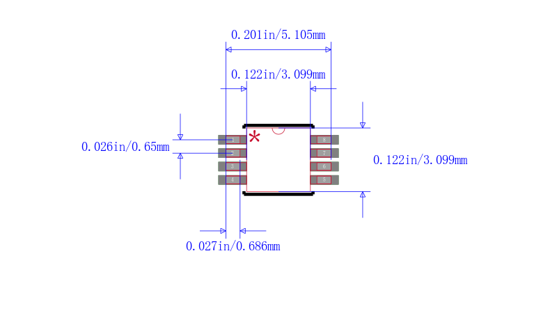
封装 MSOP-8
高度 0.86 mm
封装 MSOP-8
工作温度 0℃ ~ 70℃
产品生命周期 Unknown
包装方式 Each
RoHS标准 RoHS Compliant
含铅标准 Lead Free
REACH SVHC版本 2015/12/17



| 型号/品牌 | 代替类型 | 替代型号对比 |
|---|---|---|
LT1999CMS8-20#PBF Linear Technology 凌力尔特 | 当前型号 | 当前型号 |
LT1999CMS8-20#TRPBF 凌力尔特 | 类似代替 | LT1999CMS8-20#PBF和LT1999CMS8-20#TRPBF的区别 |