



ARM微控制器 - MCU IC ARM Cortex-M3 MCU 64K, Ext Temp
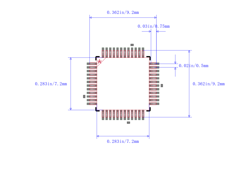
ARM® Cortex®-M3 series IC 32-位 50MHz 64KB(64K x 8) 闪存 48-LQFP(7x7)
得捷:
IC MCU 32BIT 64KB FLASH 48LQFP
贸泽:
ARM微控制器 - MCU IC ARM Cortex-M3 MCU 64K, Ext Temp
艾睿:
MCU 32-bit Stellaris ARM Cortex M3 RISC 64KB Flash 3.3V 48-Pin LQFP Tray



| 型号/品牌 | 代替类型 | 替代型号对比 |
|---|---|---|
LM3S815-EQN50-C2 TI 德州仪器 | 当前型号 | 当前型号 |
LM3S815-IQN50-C2T 德州仪器 | 完全替代 | LM3S815-EQN50-C2和LM3S815-IQN50-C2T的区别 |
LM3S815-IQN50-C2 德州仪器 | 类似代替 | LM3S815-EQN50-C2和LM3S815-IQN50-C2的区别 |
LM3S815-IGZ50-C2 德州仪器 | 类似代替 | LM3S815-EQN50-C2和LM3S815-IGZ50-C2的区别 |