













Linear TechnologyLinear Technology 高速电压反馈运算放大器具有高转换速率、短设置时间和高增益带宽产品。 这些设备的典型应用包括宽带放大器和缓冲器、高频有源滤波器、视频线路驱动器、数据采集系统、高速 DAC 输出放大器和 ADC 驱动器。### 运算放大器,Linear TechnologyLinear Technology 产生全系列高性能运算放大器 Op Amp,适用于广泛的信号处理应用。 运算放大器类别包括:高速放大器、低噪声放大器、零位偏移放大器、低功耗和微功耗放大器、电流反馈放大器和各种精密放大器。
高速,
Linear Technology 高速电压反馈运算放大器具有高转换速率、短设置时间和高增益带宽产品。 这些设备的典型应用包括宽带放大器和缓冲器、高频有源滤波器、视频线路驱动器、数据采集系统、高速 DAC 输出放大器和 ADC 驱动器。
### 运算放大器,Linear Technology
Linear Technology 产生全系列高性能运算放大器 Op Amp,适用于广泛的信号处理应用。 运算放大器类别包括:高速放大器、低噪声放大器、零位偏移放大器、低功耗和微功耗放大器、电流反馈放大器和各种精密放大器。
供电电流 11 mA
电路数 2
通道数 2
针脚数 8
带宽 325 MHz
转换速率 125 V/μs
增益频宽积 325 MHz
输入补偿电压 100 µV
输入偏置电流 5 µA
工作温度Max 70 ℃
工作温度Min 0 ℃
增益带宽 325 MHz
电源电压 2.5V ~ 12.6V
电源电压Max 12.6 V
安装方式 Surface Mount
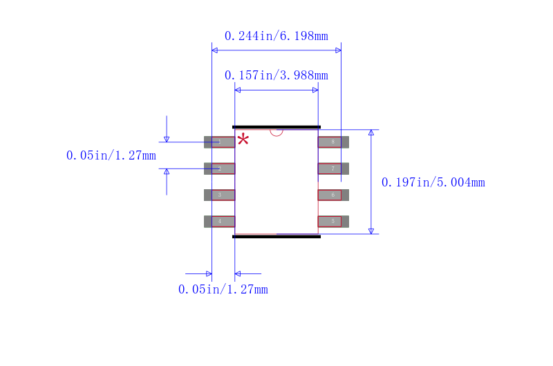
引脚数 8
封装 SOIC-8
长度 5 mm
宽度 3.988 mm
高度 1.498 mm
封装 SOIC-8
工作温度 0℃ ~ 70℃
产品生命周期 Unknown
包装方式 Each
制造应用 信号处理, Signal Processing
RoHS标准 RoHS Compliant
含铅标准 Lead Free
REACH SVHC标准 No SVHC
REACH SVHC版本 2015/12/17



| 型号/品牌 | 代替类型 | 替代型号对比 |
|---|---|---|
LT1807CS8#PBF Linear Technology 凌力尔特 | 当前型号 | 当前型号 |
LT1807CS8#TRPBF 凌力尔特 | 完全替代 | LT1807CS8#PBF和LT1807CS8#TRPBF的区别 |
LT1807IS8#PBF 凌力尔特 | 类似代替 | LT1807CS8#PBF和LT1807IS8#PBF的区别 |
LT1807IS8 凌力尔特 | 类似代替 | LT1807CS8#PBF和LT1807IS8的区别 |