














Linear Technology**Linear Technology** 精密运算放大器为您的电路设计提供低噪声、低功率以及直流精确度。 这些精密运算放大器有助于减少装配后校准,包括温度漂移和时间漂移。 Linear Technology 具有轨对轨输入/输出和过顶电路,使其特别适用于信号调节解决方案。 ### 运算放大器,Linear TechnologyLinear Technology 产生全系列高性能运算放大器 Op Amp,适用于广泛的信号处理应用。 运算放大器类别包括:高速放大器、低噪声放大器、零位偏移放大器、低功耗和微功耗放大器、电流反馈放大器和各种精密放大器。
精密,
**Linear Technology** 精密运算放大器为您的电路设计提供低噪声、低功率以及直流精确度。 这些精密运算放大器有助于减少装配后校准,包括温度漂移和时间漂移。 Linear Technology 具有轨对轨输入/输出和过顶电路,使其特别适用于信号调节解决方案。
### 运算放大器,Linear Technology
Linear Technology 产生全系列高性能运算放大器 Op Amp,适用于广泛的信号处理应用。 运算放大器类别包括:高速放大器、低噪声放大器、零位偏移放大器、低功耗和微功耗放大器、电流反馈放大器和各种精密放大器。
电源电压DC 15.0 V
供电电流 350 µA
电路数 4
通道数 4
针脚数 16
带宽 750 kHz
转换速率 300 mV/μs
增益频宽积 750 kHz
输入补偿电压 25 µV
输入偏置电流 80 pA
工作温度Max 70 ℃
工作温度Min 0 ℃
增益带宽 750 kHz
安装方式 Surface Mount
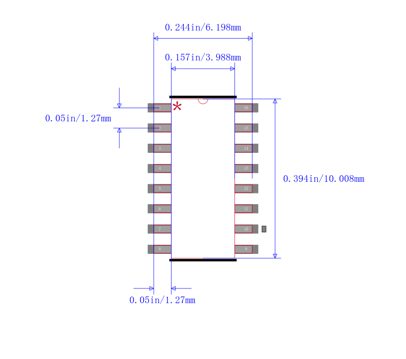
引脚数 16
封装 SOIC-16
长度 10.01 mm
宽度 3.99 mm
高度 1.48 mm
封装 SOIC-16
工作温度 0℃ ~ 70℃
产品生命周期 Unknown
包装方式 Each
制造应用 Power Management, Signal Processing, 电源管理, 传感与仪器, 信号处理, Sensing & Instrumentation
RoHS标准 RoHS Compliant
含铅标准 Lead Free
REACH SVHC标准 No SVHC
REACH SVHC版本 2015/12/17
ECCN代码 EAR99



| 型号/品牌 | 代替类型 | 替代型号对比 |
|---|---|---|
LT1114S#PBF Linear Technology 凌力尔特 | 当前型号 | 当前型号 |
LT1114S 凌力尔特 | 完全替代 | LT1114S#PBF和LT1114S的区别 |
LT1114IS#TR 凌力尔特 | 完全替代 | LT1114S#PBF和LT1114IS#TR的区别 |
LT1114IS#TRPBF 凌力尔特 | 完全替代 | LT1114S#PBF和LT1114IS#TRPBF的区别 |