


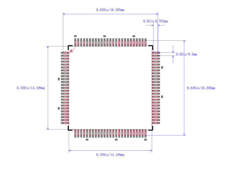
MCU 32Bit Stellaris ARM Cortex M3 RISC 128KB Flash 2.5V/3V/3.3V 100Pin LQFP Tray
* 32-bit ARM® Cortex™-M3 50-MHz processor core with System Timer SysTick, integrated Nested Vectored Interrupt Controller NVIC, Memory Protection Unit MPU, and Thumb-2 instruction set * Full-featured debug solution with debug access via JTAG and Serial Wire interfaces, and IEEE 1149.1-1990 compliant Test Access Port TAP controller * 128 KB single-cycle flash and 32 KB single-cycle SRAM * Lower-power battery-backed Hibernation module with Real-Time Clock * 23-60 GPIOs depending on configuration with programmable control for GPIO interrupts and pad configuration * ARM FiRM-compliant Watchdog Timer ; plus four General-Purpose Timer Modules GPTM, each of which provides two 16-bit timers/counters and can be configured to operate independently * 10-bit Analog-to-Digital Converter ADC withanalog input channels and a sample rate ofsamples/second * Three fully programmable 16C550-type UARTs with IrDA support * Two Synchronous Serial Interface SSI modules, supporting operation for Freescale SPI, MICROWIRE, or Texas Instruments synchronous serial interfaces * Two Inter-Integrated Circuit I2C Interface modules, providing Standard 100 Kbps and Fast 400 Kbps transmission and support for sending and receiving data as either a master or a slave * Two integrated analog comparators configurable for output to drive an output pin or generate an interrupt * Industrial and extended temperature RoHS-compliant 100-pin LQFP package and industrial-range RoHS-compliant 108-ball BGA package



| 型号/品牌 | 代替类型 | 替代型号对比 |
|---|---|---|
LM3S1601-EQC50-A2 TI 德州仪器 | 当前型号 | 当前型号 |
LM3S1601-IQC50-A2T 德州仪器 | 完全替代 | LM3S1601-EQC50-A2和LM3S1601-IQC50-A2T的区别 |
LM3S1601-EQC50-A2T 德州仪器 | 完全替代 | LM3S1601-EQC50-A2和LM3S1601-EQC50-A2T的区别 |
LM3S1601-IQC50-A2 德州仪器 | 类似代替 | LM3S1601-EQC50-A2和LM3S1601-IQC50-A2的区别 |