




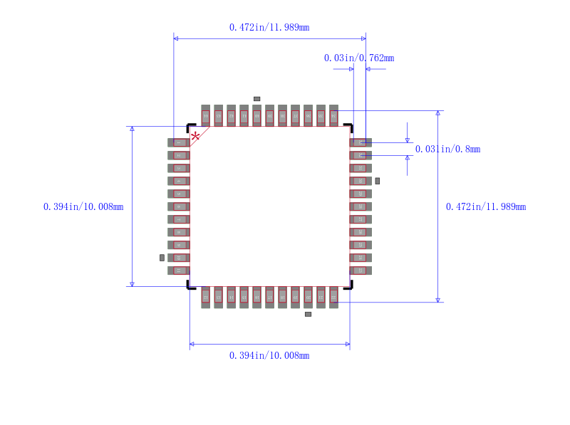
CPLD ispMACH 4000V Family 32 Macro Cells 227MHz 3.3V 44Pin TQFP
The high performance ispMACH 4000 family from Lattice offers a SuperFAST CPLD solution. The family is a blend of Lattice’s two most popular architectures: the ispLSI® 2000 and ispMACH 4A. Retaining the best of both families, the ispMACH 4000 architecture focuses on significant innovations to combine the highest performance with low power in a flexible CPLD family.
The ispMACH 4000 combines high speed and low power with the flexibility needed for ease of design. With its robust Global Routing Pool and Output Routing Pool, this family delivers excellent First-Time-Fit, timing predictability, routing, pin-out retention and density migration.



| 型号/品牌 | 代替类型 | 替代型号对比 |
|---|---|---|
LC4032V-5TN44C Lattice Semiconductor 莱迪思 | 当前型号 | 当前型号 |
LC4032V-5T44C 莱迪思 | 完全替代 | LC4032V-5TN44C和LC4032V-5T44C的区别 |
LC4032V-5TN44I 莱迪思 | 类似代替 | LC4032V-5TN44C和LC4032V-5TN44I的区别 |
LC4032V-75TN44I 莱迪思 | 类似代替 | LC4032V-5TN44C和LC4032V-75TN44I的区别 |