












双路微功耗轨至轨输入CMOS比较器具有开漏输出 Dual Micropower Rail-To-Rail Input CMOS Comparator with Open Drain Output
通用 开路漏极 8-SOIC
得捷:
IC COMPAR DUAL MICPWR CMOS 8SOIC
立创商城:
LMC6772BIMX/NOPB
德州仪器TI:
Dual low-power, 15V comparator with open-drain output
贸泽:
模拟比较器 A 926-LMC6772BIM/NOPB
e络盟:
模拟比较器, 微功率, 2个比较器, 4 µs, 2.7V 至 15V, SOIC, 8 引脚
艾睿:
Comparator Dual R-R I/P ±7.5V/15V 8-Pin SOIC T/R
安富利:
Comparator Dual R-R I/P ±7.5V/15V 8-Pin SOIC N T/R
Chip1Stop:
Comparator Dual R-R I/P 7.5V/15V 8-Pin SOIC T/R
TME:
Comparator; low-power; 2.7÷15V; SMT; SO8; Comparators:2; 20nA
Verical:
Comparator Dual R-R I/P ±7.5V/15V 8-Pin SOIC T/R
DeviceMart:
IC COMPAR DUAL MICPWR CMOS 8SOIC
Win Source:
IC COMPAR DUAL MICPWR CMOS 8SOIC
输出电流 30 mA
供电电流 0.02 mA
电路数 2
通道数 2
针脚数 8
共模抑制比 75 dB
输入补偿电压 15 mV
输入偏置电流 0.04 nA
工作温度Max 85 ℃
工作温度Min -40 ℃
电源电压 2.7V ~ 15V
电源电压Max 15 V
电源电压Min 2.7 V
安装方式 Surface Mount
引脚数 8
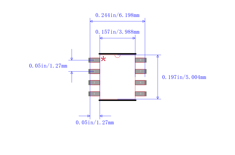
封装 SOIC-8
长度 4.9 mm
宽度 3.9 mm
高度 1.45 mm
封装 SOIC-8
工作温度 -40℃ ~ 85℃
产品生命周期 Active
包装方式 Tape & Reel TR
RoHS标准 RoHS Compliant
含铅标准 Lead Free



| 型号/品牌 | 代替类型 | 替代型号对比 |
|---|---|---|
LMC6772BIMX/NOPB TI 德州仪器 | 当前型号 | 当前型号 |
LMC6772BIM/NOPB 德州仪器 | 完全替代 | LMC6772BIMX/NOPB和LMC6772BIM/NOPB的区别 |
LMC6772BIN/NOPB 德州仪器 | 完全替代 | LMC6772BIMX/NOPB和LMC6772BIN/NOPB的区别 |
LMC6772BIMX 德州仪器 | 完全替代 | LMC6772BIMX/NOPB和LMC6772BIMX的区别 |