
















LDO(低压降)线性稳压器,最大 100mA,1.0V 至 2.9V,Texas Instruments### LDO(低压降)线性稳压器,Texas Instruments低压降或 LDO 为线性电压稳压器。 我们有多种系列的线性稳压器。 LDO 稳压器可在输入 - 输出差分电压较小时运行。 LDO 电压稳压器可提供快速瞬态响应、宽输入电压范围、低静态电流、低噪声、高 PSRR。
LDO(低压降)线性稳压器,最大 100mA,1.0V 至 2.9V,Texas Instruments
得捷:
IC REG LINEAR 2.5V 50MA SOT23-5
立创商城:
LP2980IM5-2.5/NOPB
德州仪器TI:
50-mA, 16-V, low-dropout voltage regulator with enable
欧时:
Texas Instruments LP2980IM5-2.5/NOPB LDO 稳压器, 2.5 V输出, 50mA最大输出, ±1.5%精确度
e络盟:
固定LDO稳压器, 2.1 V至16 V输入, 500 mV压降, 2.5 V/50 mA输出, SOT-23-5
艾睿:
LDO Regulator Pos 2.5V 0.05A 5-Pin SOT-23 T/R
Jameco:
Low Dropout Regulator 2.5 Volt 0.05A 5-Pin SOT-23 Tape and Reel
安富利:
LDO Regulator Pos 2.5V 0.05A 5-Pin SOT-23 T/R
Verical:
LDO Regulator Pos 2.5V 0.05A 5-Pin SOT-23 T/R
Newark:
# TEXAS INSTRUMENTS LP2980IM5-2.5/NOPB Fixed LDO Voltage Regulator, 2.1V to 16V, 120mV Dropout, 2.5Vout, 50mAout, SOT-23-5
DeviceMart:
IC REG LDO 2.5V 50MA SOT23-5
输出接口数 1
输出电压 2.5 V
输出电流 50 mA
针脚数 5
静态电流 0.065 mA
输出电容类型 Ceramic
跌落电压 120 mV
调节输出数 1
输入电压Max 16 V
输入电压Min 2.1 V
输出电压Min 2.5 V
输出电流Max 0.05 A
工作温度Max 125 ℃
工作温度Min -40 ℃
精度 1.5 %
输入电压 ≤16 V
安装方式 Surface Mount
引脚数 5
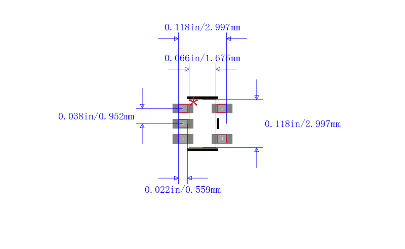
封装 SOT-23-5
长度 2.92 mm
宽度 1.6 mm
高度 1.3 mm
封装 SOT-23-5
工作温度 -40℃ ~ 125℃
产品生命周期 Active
包装方式 Tape & Reel TR
RoHS标准 RoHS Compliant
含铅标准 Lead Free
REACH SVHC版本 2015/06/15



| 型号/品牌 | 代替类型 | 替代型号对比 |
|---|---|---|
LP2980IM5-2.5/NOPB TI 德州仪器 | 当前型号 | 当前型号 |
TPS76925DBVT 德州仪器 | 类似代替 | LP2980IM5-2.5/NOPB和TPS76925DBVT的区别 |
LP2981AIM5-2.5/NOPB 德州仪器 | 类似代替 | LP2980IM5-2.5/NOPB和LP2981AIM5-2.5/NOPB的区别 |
LP2980IM5X-2.5/NOPB 德州仪器 | 类似代替 | LP2980IM5-2.5/NOPB和LP2980IM5X-2.5/NOPB的区别 |