





具有低静态电流和 2.5% 阈值精度的低电平有效电压监控器 5-SOT-23 -40 to 85
By using this microprocessor supervisory circuit from Texas Instruments you won"t have to worry if something happens to your main processor. Tape and reel packaging will encase the product during shipment, ensuring safe delivery and enabling quick mounting of components. It has a typical reset threshold voltage of 2 V, with a minimum of 1.95 V and a maximum of 2.05 V. This device has a minimum operating supply voltage of 1 V and a maximum of 6 V. This part has an operating temperature range of -40 °C to 85 °C.
输出电流 1.00 mA
静态电流 650 nA
阈值电压 2 V
复位电压Min 1.95 V
复位电压Max 2.05 V
工作温度Max 85 ℃
工作温度Min -40 ℃
电源电压Max 6 V
电源电压Min 1 V
安装方式 Surface Mount
引脚数 5
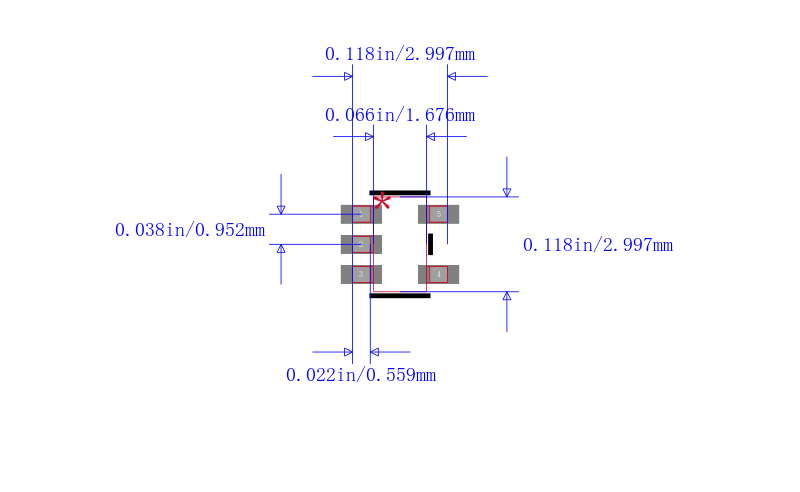
封装 SOT-23-5
长度 2.92 mm
宽度 1.6 mm
高度 1.02 mm
封装 SOT-23-5
工作温度 -40℃ ~ 85℃ TA
产品生命周期 Active
包装方式 Tape & Reel TR
RoHS标准 RoHS Compliant
含铅标准 Lead Free
ECCN代码 EAR99



| 型号/品牌 | 代替类型 | 替代型号对比 |
|---|---|---|
LM8364BALMFX20/NOPB TI 德州仪器 | 当前型号 | 当前型号 |
LM8364BALMF20/NOPB 德州仪器 | 完全替代 | LM8364BALMFX20/NOPB和LM8364BALMF20/NOPB的区别 |
LM8364BALMFX20 德州仪器 | 完全替代 | LM8364BALMFX20/NOPB和LM8364BALMFX20的区别 |
LM8365BALMF27/NOPB 美国国家半导体 | 功能相似 | LM8364BALMFX20/NOPB和LM8365BALMF27/NOPB的区别 |