





Texas InstrumentsTexas Instruments 的此系列高度集成的高效开关稳压器包括步升(升压)、步降(降压)、步升/降(增压/降压)和反相类型,为每个直流稳压器应用提供高效的解决方案。
直流/直流转换器(集成开关),用于射频放大器
立创商城:
LM3242TME/NOPB
德州仪器TI:
6MHz, 750mA Miniature, Adjustable, Step-Down DC-DC Converter with Bypass
得捷:
IC ADJ BUCK RF PWR AMP 9USMD
欧时:
### 直流/直流转换器(集成开关),用于射频放大器### 直流/直流开关调节器转换器(集成开关),Texas InstrumentsTexas Instruments 的此系列高度集成的高效开关稳压器包括步升(升压)、步降(降压)、步升/降(增压/降压)和反相类型,为每个直流稳压器应用提供高效的解决方案。
艾睿:
Conv DC-DC Single Step Down 2.7V to 5.5V 9-Pin Mini-SMD T/R
安富利:
Conv DC-DC Single Non-Inv/Inv/Step Up/Step Down 2.7V to 5.5V 9-Pin Mini-SMD T/R
Chip1Stop:
Conv DC-DC Single Non-Inv/Inv/Step Up/Step Down 2.7V to 5.5V 9-Pin Mini-SMD T/R
Verical:
Conv DC-DC 2.7V to 5.5V Synchronous Step Down Single-Out 0.4V to 3.6V 1A 9-Pin Mini-SMD T/R
DeviceMart:
IC ADJ BUCK RF PWR AMP 9USMD
输出接口数 1
输出电压 0.4V ~ 3.6V
输出电流 1 A
供电电流 60 µA
开关频率 6.00 MHz
拓扑结构 Buck
输入电压Max 5.5 V
输入电压Min 2.7 V
输出电压Max 3.6 V
输出电压Min 0.4 V
输出电流Max 750 mA
工作温度Max 90 ℃
工作温度Min -30 ℃
电源电压 2.7V ~ 5.5V
输入电压 5.5 V
安装方式 Surface Mount
引脚数 9
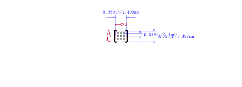
封装 uSMD-9
长度 1.51 mm
宽度 1.385 mm
高度 0.395 mm
封装 uSMD-9
工作温度 -30℃ ~ 90℃
产品生命周期 Active
包装方式 Tape & Reel TR
RoHS标准 RoHS Compliant
含铅标准 Lead Free



| 型号/品牌 | 代替类型 | 替代型号对比 |
|---|---|---|
LM3242TME/NOPB TI 德州仪器 | 当前型号 | 当前型号 |
LM3242TMX/NOPB 德州仪器 | 类似代替 | LM3242TME/NOPB和LM3242TMX/NOPB的区别 |