







75V 0.5A 恒流 LED 降压驱动器 8-SO PowerPAD
LED 驱动器 IC 1 输出 DC DC 稳压器 降压 PWM 调光 500mA 8-SO PowerPad
得捷:
IC LED DRV RGLTR PWM 8SOPWRPAD
立创商城:
LM3402HVMRX/NOPB
德州仪器TI:
75-V 0.5A constant current buck LED driver
艾睿:
Adjust the voltage level of your devices with this step down LM3402HVMRX/NOPB DC to DC converter from Texas Instruments. This converter&s;s single output can produce a current up to 0.5 A. Use this part at voltages between 6 V and 75 V. With an adjustable output that has a voltage of 0.2 to 40 V, this is power management at its best. Its switching regulator has a frequency of 10 to 1000 kHz. Tape and reel packaging will encase the product during shipment, ensuring safe delivery and enabling quick mounting of components. This converter has an operating temperature range of -40 °C to 125 °C.
Chip1Stop:
Conv DC-DC 6V to 75V Step Down Single-Out 0.2V to 40V 0.5A 8-Pin HSOP EP T/R
Verical:
Conv DC-DC 6V to 75V Step Down Single-Out 0.2V to 40V 0.5A 8-Pin HSOP EP T/R
DeviceMart:
IC LED DRVR HP CONST CURR 8-PSOP
Win Source:
LED Driver IC 1 Output DC DC Regulator Step-Down Buck PWM Dimming 500mA 8-SO PowerPad
频率 1 MHz
输出接口数 1
输出电压 73 V
输出电流 0.5 A
静态电流 600 µA
调节输出数 1
开关频率 1 MHz
拓扑结构 Buck
输入电压Min 6 V
电源电压 6 V
电源电压Max 75 V
电源电压Min 6 V
输入电压 75 V
安装方式 Surface Mount
引脚数 8
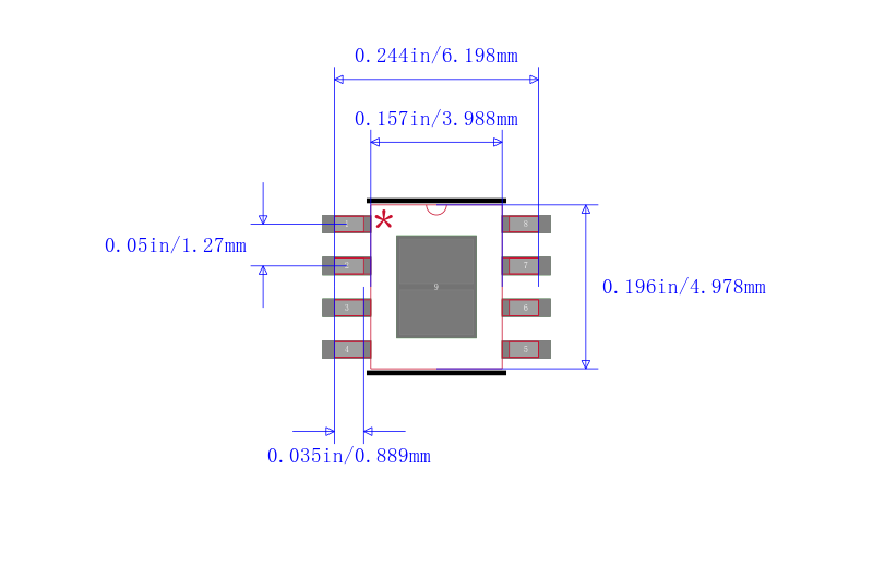
封装 HSOP-8
长度 4.9 mm
宽度 3.9 mm
高度 1.47 mm
封装 HSOP-8
工作温度 -40℃ ~ 125℃ TJ
产品生命周期 Active
包装方式 Tape & Reel TR
制造应用 照明
RoHS标准 RoHS Compliant
含铅标准 Lead Free
ECCN代码 EAR99



| 型号/品牌 | 代替类型 | 替代型号对比 |
|---|---|---|
LM3402HVMRX/NOPB TI 德州仪器 | 当前型号 | 当前型号 |
LM3402HVMR/NOPB 德州仪器 | 类似代替 | LM3402HVMRX/NOPB和LM3402HVMR/NOPB的区别 |