






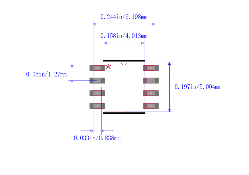
高性能软启动2A ULDO线性稳压器 High performance 2A ULDO linear regulator with Soft Start
PMIC - 稳压器 - 线性 正 可调式 1 输出 2A 8-HSO
得捷:
IC REG LINEAR POS ADJ 2A 8HSO
贸泽:
LDO Voltage Regulators Hi performance 2A ULDO Linear Reg
艾睿:
LDO Regulator Pos 1.2V to 5V 2A 8-Pin HSOP T/R
安富利:
LDO Regulator Pos 1.2V to 5V 2A 8-Pin HSOP T/R
Verical:
LDO Regulator Pos 1.2V to 5V 2A 8-Pin HSOP T/R
DeviceMart:
IC REG LDO ADJ 2A 8-SOIC
Win Source:
High performance 2A ULDO linear regulator with Soft Start | IC REG LINEAR POS ADJ 2A 8HSO



| 型号/品牌 | 代替类型 | 替代型号对比 |
|---|---|---|
L6933H1.2TR ST Microelectronics 意法半导体 | 当前型号 | 当前型号 |
L6933H1.2 意法半导体 | 类似代替 | L6933H1.2TR和L6933H1.2的区别 |