




LM9076 150毫安超低静态电流LDO稳压器,带有延迟复位输出 LM9076 150mA Ultra-Low Quiescent Current LDO Regulator with Delayed Reset Output
Linear Voltage Regulator IC 1 Output 150mA 8-SOIC
得捷:
IC REG LINEAR 5V 150MA 8SOIC
贸泽:
LDO Voltage Regulators
艾睿:
LDO Regulator Pos 5V 0.15A 8-Pin SOIC T/R
输出接口数 1
输出电压 5 V
输出电流 150 mA
静态电流 4.50 mA
跌落电压 0.03 V @ 10 mA, 0.15 V @ 150 mA, 0.08 V @ 50 mA
调节输出数 1
输入电压Max 40 V
输入电压Min 5.35 V
输出电流Max 0.15 A
工作温度Max 125 ℃
工作温度Min 40 ℃
精度 ±3 %
输入电压 5.35V ~ 40V
安装方式 Surface Mount
引脚数 8
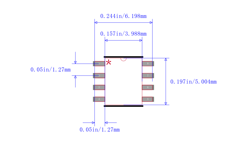
封装 SOIC-8
封装 SOIC-8
工作温度 -40℃ ~ 125℃
产品生命周期 Active
包装方式 Tape & Reel TR
RoHS标准 Non-Compliant
含铅标准 Contains Lead



| 型号/品牌 | 代替类型 | 替代型号对比 |
|---|---|---|
LM9076BMAX-5.0 TI 德州仪器 | 当前型号 | 当前型号 |
LM9076BMA-5.0/NOPB 德州仪器 | 类似代替 | LM9076BMAX-5.0和LM9076BMA-5.0/NOPB的区别 |
LM9076BMAX-5.0/NOPB 德州仪器 | 类似代替 | LM9076BMAX-5.0和LM9076BMAX-5.0/NOPB的区别 |
LM9076BMA-5.0 德州仪器 | 类似代替 | LM9076BMAX-5.0和LM9076BMA-5.0的区别 |