LB11683V-TLM-E

LB11683V-TLM-E图片1
LB11683V-TLM-E概述

3-Phase Sensorless Motor Driver 24Pin SSOP-J T/R

Motor Driver Bipolar Parallel 24-SSOP


得捷:
IC MOTOR DRVR 5.5V-13.8V 24SSOP


艾睿:
3-Phase Sensorless Motor Driver 24-Pin SSOP-J T/R


LB11683V-TLM-E中文资料参数规格
技术参数

输出电流 1.5 A

电源电压 5.5V ~ 13.8V

封装参数

安装方式 Surface Mount

封装 LSOP-24

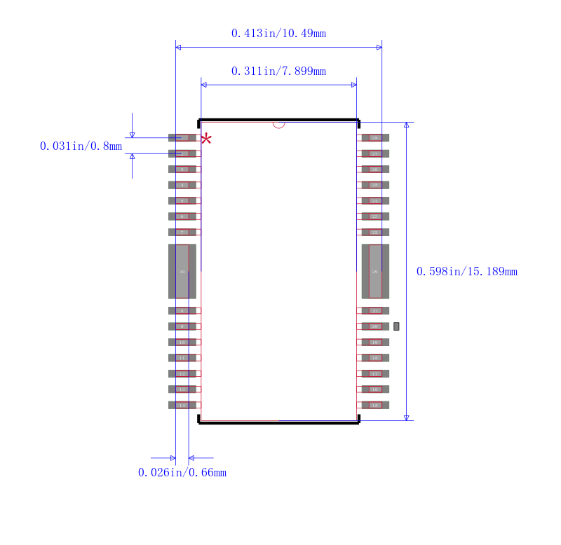
外形尺寸

封装 LSOP-24

物理参数

工作温度 -30℃ ~ 85℃ TA

其他

产品生命周期 Unknown

包装方式 Tube

制造应用 通用

符合标准

RoHS标准 RoHS Compliant

含铅标准 Lead Free

数据手册

LB11683V-TLM-E引脚图与封装图
LB11683V-TLM-E封装图
LB11683V-TLM-E封装焊盘图
在线购买LB11683V-TLM-E
型号: LB11683V-TLM-E
描述:3-Phase Sensorless Motor Driver 24Pin SSOP-J T/R

 锐单商城 - 一站式电子元器件采购平台  

 深圳锐单电子有限公司