








TEXAS INSTRUMENTS LP3875EMP-3.3/NOPB 固定电压稳压器, LDO, 2.5V至7V, 380mV压差, 3.3V输出, 1.5A输出, SOT-223-5
The is a 3.3V fixed output fast ultra-low-dropout LDO Linear Regulator operate from a 2.5 to 7V input supply. This device respond very quickly to step changes in load, which makes them suitable for low-voltage microprocessor applications. The device is developed on a CMOS process which allows low quiescent current operation independent of output load current. This CMOS process also allows the device to operate under extremely low-dropout LDO conditions. ultra-low-dropout LDO voltage is typically 38mV at 150mA load current and 380mV at 1.5A load current. Ground pin current is typically 6mA at 1.5A load current.
输出接口数 1
输出电压 3.3 V
输出电流 1.5 A
供电电流 5mA ~ 15mA
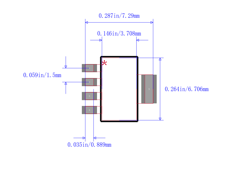
针脚数 5
静态电流 6.00 mA
输出电容类型 Ceramic
跌落电压 380 mV
调节输出数 1
输入电压Max 7 V
输入电压Min 2.5 V
输出电压Min 3.3 V
输出电流Max 1.5 A
工作温度Max 125 ℃
工作温度Min -40 ℃
精度 ±1.5 %
输入电压 ≤7 V
安装方式 Surface Mount
引脚数 5
封装 TO-261-5
长度 6.5 mm
宽度 3.56 mm
高度 1.6 mm
封装 TO-261-5
工作温度 -40℃ ~ 125℃
产品生命周期 Active
包装方式 Tape & Reel TR
RoHS标准 RoHS Compliant
含铅标准 Lead Free
REACH SVHC标准 No SVHC
REACH SVHC版本 2015/06/15



| 型号/品牌 | 代替类型 | 替代型号对比 |
|---|---|---|
LP3875EMP-3.3/NOPB TI 德州仪器 | 当前型号 | 当前型号 |
LP3875EMPX-3.3/NOPB 德州仪器 | 完全替代 | LP3875EMP-3.3/NOPB和LP3875EMPX-3.3/NOPB的区别 |
LP3965EMP-3.3/NOPB 德州仪器 | 类似代替 | LP3875EMP-3.3/NOPB和LP3965EMP-3.3/NOPB的区别 |
LP3874EMP-3.3/NOPB 德州仪器 | 类似代替 | LP3875EMP-3.3/NOPB和LP3874EMP-3.3/NOPB的区别 |