







SIMPLE SWITCHER 1A降压稳压器 SIMPLE SWITCHER 1A Step-Down Voltage Regulator
降压 开关稳压器 IC 正 固定 5V 1 输出 1A 24-SOIC(0.295",7.50mm 宽)
得捷:
LM2575 - SIMPLE SWITCHER 1A STEP
贸泽:
开关稳压器 SIMPLE SWITCHER 1A Step-Down Voltage Regulator 24-SOIC -40 to 125
e络盟:
降压开关稳压器, 固定, 4V-40V输入, 5V和1A输出, SOIC-24
艾睿:
Adjust the voltage level of your devices with this step down LM2575M-5.0 DC to DC converter from Texas Instruments. This converter&s;s single output can produce a current up to 1 A. Using the part will provide the power your application needs by requiring a voltage only of 4 V and not exceeding a voltage of 40 V. With a fixed output that has a voltage of 5 V, this is power management at its best. This converter is 77typ % efficient. Its switching regulator has a frequency of 58 kHz. In order to ensure parts aren&s;t damaged by bulk packaging, this product comes in tube packaging to add a little more protection by storing the loose parts in an outer tube. This converter has an operating temperature range of -40 °C to 125 °C.
Chip1Stop:
Conv DC-DC 4V to 40V Step Down Single-Out 5V 1A 24-Pin SOIC Tube
Newark:
# TEXAS INSTRUMENTS LM2575M-5.0 SWITCHING REG 1A 5.0V, SMD, 2575
频率 52 kHz
电源电压DC 40.0V max
输出接口数 1
输出电压 5 V
输出电流 1 A
针脚数 24
静态电流 10.0 mA
调节输出数 1
开关频率 52 kHz
拓扑结构 Buck
输入电压Max 40 V
输入电压Min 4 V
输出电压Min 5 V
输出电流Max 1 A
工作温度Max 125 ℃
工作温度Min -40 ℃
精度 4 %
电源电压Max 40 V
电源电压Min 4 V
输入电压 4V ~ 40V
安装方式 Surface Mount
引脚数 24
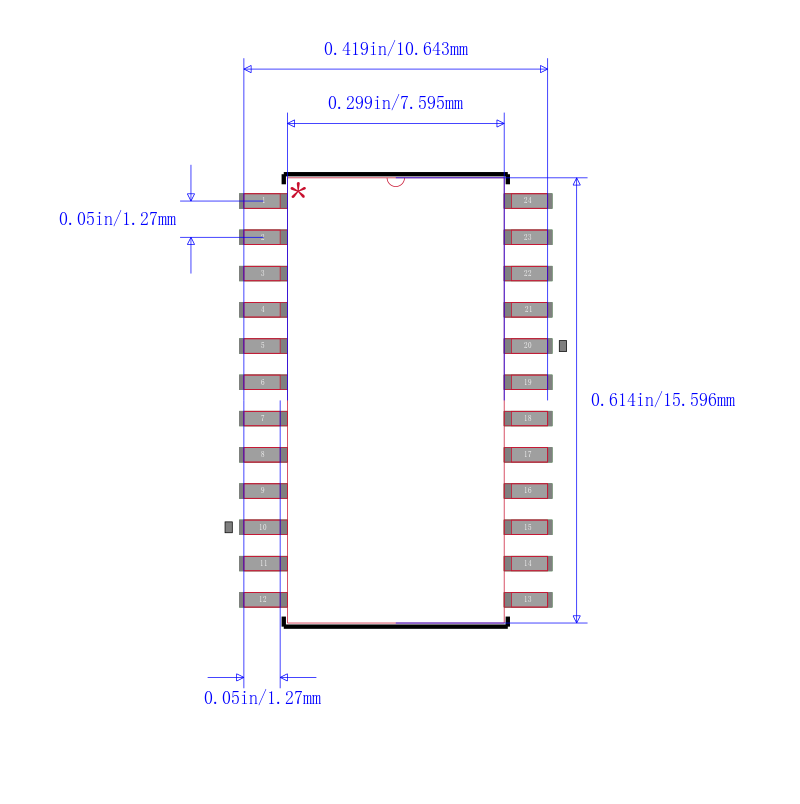
封装 SOIC-24
封装 SOIC-24
工作温度 -40℃ ~ 125℃
产品生命周期 Active
包装方式 Cut Tape CT
RoHS标准 Non-Compliant
含铅标准 Contains Lead
REACH SVHC标准 No SVHC
REACH SVHC版本 2015/06/15



| 型号/品牌 | 代替类型 | 替代型号对比 |
|---|---|---|
LM2575M-5.0 TI 德州仪器 | 当前型号 | 当前型号 |
LM2575M-5.0/NOPB 德州仪器 | 完全替代 | LM2575M-5.0和LM2575M-5.0/NOPB的区别 |