






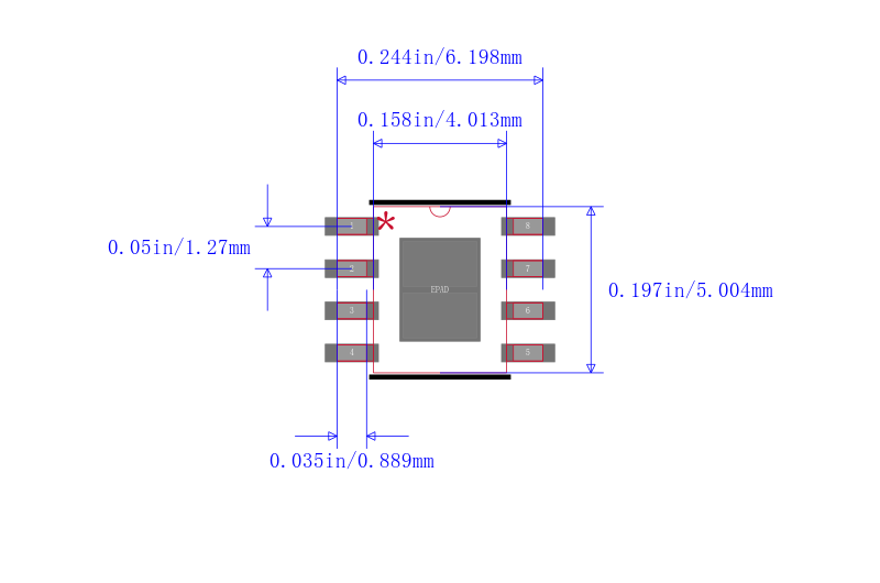
1A SIMPLE SWITCHER® 可调频率降压稳压器 8-SO PowerPAD -40 to 125
降压 开关稳压器 IC 正 可调式 1.285V 1 输出 1A 8-PowerSOIC(0.154",3.90mm 宽)
立创商城:
降压型 Vin=4.5V~42V Vout=1.285V~37V 1A
德州仪器TI:
1A SIMPLE SWITCHER®, Step-Down Voltage Regulator with Adjustable Frequency
得捷:
IC REG BUCK ADJUSTABLE 1A 8SOPWR
艾睿:
Adjust the voltage level of your devices with this step down LM22672QMRE-ADJ/NOPB DC to DC converter from Texas Instruments. This converter&s;s single output can produce a current up to 1 A. Using the part will provide the power your application needs by requiring a voltage only of 4.5 V and not exceeding a voltage of 42 V. With an adjustable output that has a voltage of 1.285 to 37 V, this is power management at its best. This converter is 90min % efficient. This part offers a switching frequency of 500Typ kHz in order to work properly. This component will be shipped in tape and reel packaging to allow for effective mounting and safe delivery. This converter has an operating temperature range of -40 °C to 125 °C.
安富利:
Conv DC-DC Single Step Down 4.5V to 42V 8-Pin SO PowerPAD T/R
Verical:
Conv DC-DC 4.5V to 42V Synchronous Step Down Single-Out 1.285V to 37V 1A Automotive 8-Pin HSOP EP T/R
输出接口数 1
输出电压 1.285V ~ 37V
输出电流 1 A
静态电流 3.40 mA
调节输出数 1
开关频率 500 kHz
拓扑结构 Buck
输入电压Max 42 V
输入电压Min 4.5 V
输出电压Max 37 V
输出电压Min 1.285 V
输出电流Max 1 A
工作温度Max 125 ℃
工作温度Min -40 ℃
输入电压 4.5V ~ 42V
安装方式 Surface Mount
引脚数 8
封装 SOIC-8
封装 SOIC-8
工作温度 -40℃ ~ 125℃
产品生命周期 Active
包装方式 Tape & Reel TR
RoHS标准 RoHS Compliant
含铅标准 Lead Free


