LTC1421IG#TRPBF

LTC1421IG#TRPBF图片1
LTC1421IG#TRPBF图片2
LTC1421IG#TRPBF图片3
LTC1421IG#TRPBF图片4
LTC1421IG#TRPBF图片5
LTC1421IG#TRPBF中文资料参数规格
技术参数

输出接口数 2

电路数 2

通道数 2

工作温度Max 85 ℃

工作温度Min -40 ℃

电源电压 3V ~ 12V

封装参数

安装方式 Surface Mount

引脚数 24

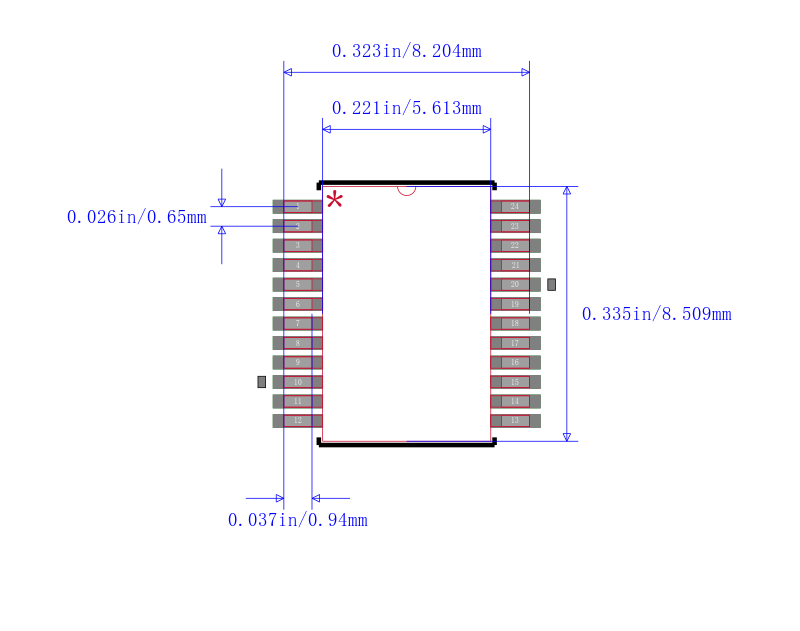
封装 SSOP-24

外形尺寸

封装 SSOP-24

物理参数

工作温度 -40℃ ~ 85℃

其他

产品生命周期 Active

包装方式 Tape & Reel TR

制造应用 通用

符合标准

RoHS标准 RoHS Compliant

含铅标准 Lead Free

数据手册

LTC1421IG#TRPBF引脚图与封装图
LTC1421IG#TRPBF引脚图
LTC1421IG#TRPBF封装图
LTC1421IG#TRPBF封装焊盘图
在线购买LTC1421IG#TRPBF
型号: LTC1421IG#TRPBF
制造商: Linear Technology 凌力尔特
描述:Hot Swap Controller 2CH 12V 24Pin SSOP T/R
替代型号LTC1421IG#TRPBF
型号/品牌 代替类型 替代型号对比

LTC1421IG#TRPBF

Linear Technology 凌力尔特

当前型号

当前型号

LTC1421IG#PBF

凌力尔特

完全替代

LTC1421IG#TRPBF和LTC1421IG#PBF的区别

LTC1421CG#TR

凌力尔特

功能相似

LTC1421IG#TRPBF和LTC1421CG#TR的区别

 锐单商城 - 一站式电子元器件采购平台  

 深圳锐单电子有限公司