




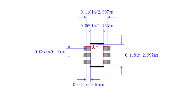
45MHz至650MHz ,集成中频VCO,差分输出 45MHz to 650MHz, Integrated IF VCOs with Differential Output
Integrated IF VCOs with Differential Output 6-Pin SOT-23 T/R
得捷:
IC VCO IF W/DIFF OUT SOT23-6
Online Components:
Integrated IF VCOs with Differential Output 6-Pin SOT-23 T/R



| 型号/品牌 | 代替类型 | 替代型号对比 |
|---|---|---|
MAX2606EUT-T Maxim Integrated 美信 | 当前型号 | 当前型号 |
MAX2606EUT+T 美信 | 完全替代 | MAX2606EUT-T和MAX2606EUT+T的区别 |