





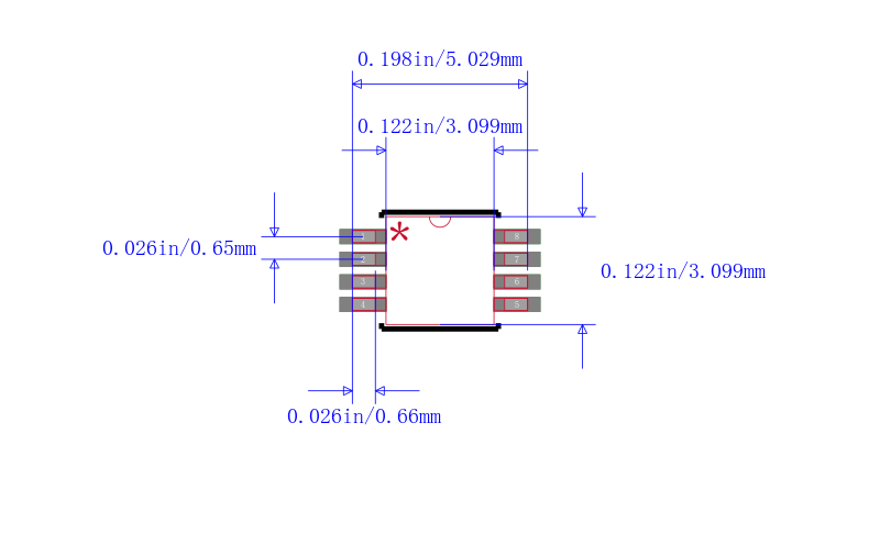
板上安装温度传感器 Digital Temperature Sensors and Thermal Watchdog with Bus Lockup Protection
温度 数字,本地 -55°C ~ 125°C 9 b 8-uMAX
得捷:
SENSOR DIGITAL -55C-125C 8UMAX
贸泽:
板上安装温度传感器 Digital Temperature Sensors and Thermal Watchdog with Bus Lockup Protection
Chip1Stop:
Temp Sensor Digital Serial 2-Wire, I2C 8-Pin uMAX T/R
Win Source:
SENSOR TEMP I2C/SMBUS 8UMAX



| 型号/品牌 | 代替类型 | 替代型号对比 |
|---|---|---|
MAX7504MUA+T Maxim Integrated 美信 | 当前型号 | 当前型号 |
MAX7504MUA+ 美信 | 类似代替 | MAX7504MUA+T和MAX7504MUA+的区别 |
MAX7504MUA 美信 | 功能相似 | MAX7504MUA+T和MAX7504MUA的区别 |