







门驱动器 2CH 5 LEVEL HI-SPEED ULTRASOUND DRIVER
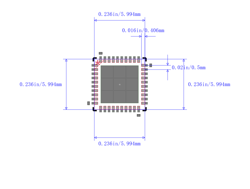
超声波成像 PMIC 40-QFN(6x6)
得捷:
IC ULTRASOUND DRIVER 40VQFN
立创商城:
MD1715K6-G
贸泽:
门驱动器 2CH 5 LEVEL HI-SPEED ULTRASOUND DRIVER
艾睿:
Two Channel, Five Level, High Speed Ultrasound Driver IC
Allied Electronics:
2-CHANNEL, 5-LEVEL, HIGH SPEED ULTRASOUND DRIVER40 VQFN 6x6x1.0mm TRAY
安富利:
Ultrasound Driver IC 40-Pin QFN EP
Verical:
Driver 2A 12-OUT High Speed 40-Pin QFN EP Tray
DeviceMart:
IC ULTRASOUND DRIVER 40VQFN



| 型号/品牌 | 代替类型 | 替代型号对比 |
|---|---|---|
MD1715K6-G Microchip 微芯 | 当前型号 | 当前型号 |