



2.5V / 3.3V ECL ± 2 , ± 4 , ± 8时钟发生器芯片 2.5V / 3.3V ECL ±2, ±4, ±8 Clock Generation Chip
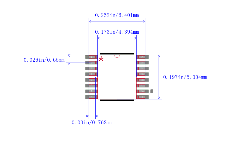
Clock Generator IC 2.8GHz 1 16-TSSOP 0.173", 4.40mm Width
得捷:
IC CLOCK GEN ECL 2/4/8 16TSSOP
贸泽:
Clock Generators & Support Products 2.5V/3.3V ECL Clock
Chip1Stop:
Clock Generator 16-Pin TSSOP T/R



| 型号/品牌 | 代替类型 | 替代型号对比 |
|---|---|---|
MC100LVEP34DTR2 ON Semiconductor 安森美 | 当前型号 | 当前型号 |
MC100LVEP34DT 安森美 | 完全替代 | MC100LVEP34DTR2和MC100LVEP34DT的区别 |
MC100LVEP34DTG 安森美 | 类似代替 | MC100LVEP34DTR2和MC100LVEP34DTG的区别 |
MC100LVEP34DTR2G 安森美 | 类似代替 | MC100LVEP34DTR2和MC100LVEP34DTR2G的区别 |