


高速,微功耗,低电压 High-Speed, Micropower, Low-Voltage
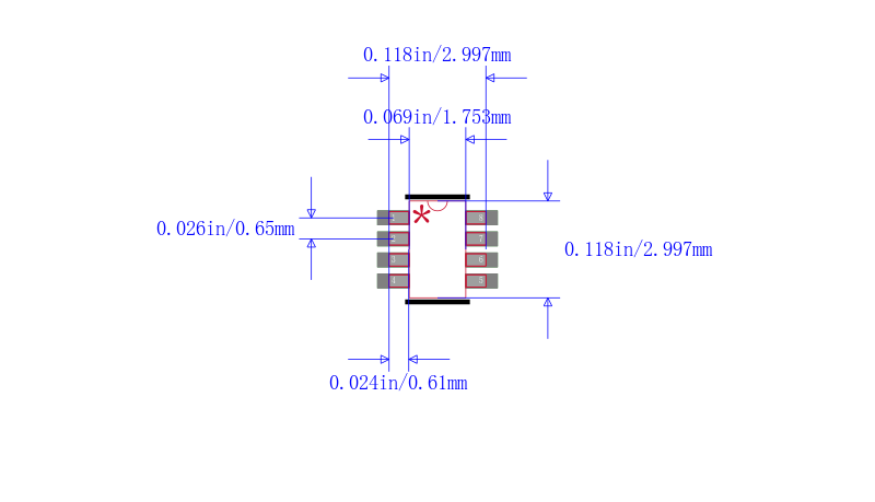
Comparator General Purpose CMOS, Push-Pull, Rail-to-Rail, TTL SOT-23-8
得捷:
IC COMPARATOR DUAL R-R SOT23-8



| 型号/品牌 | 代替类型 | 替代型号对比 |
|---|---|---|
MAX991EKA-T Maxim Integrated 美信 | 当前型号 | 当前型号 |
MAX991EKA+T 美信 | 完全替代 | MAX991EKA-T和MAX991EKA+T的区别 |