






参考电压 Ultra-High-Precision, Ultra-Low-Noise, Series Voltage Reference
系列 电压基准 IC ±0.02% 8-SOIC
立创商城:
串联 10mA
得捷:
IC VREF SERIES 0.02% 8SOIC
贸泽:
参考电压 Ultra-High-Precision, Ultra-Low-Noise, Series Voltage Reference
安富利:
V-Ref Precision 2.5V 10mA 8-Pin SOIC N T/R
容差 ±0.02 %
输出电压 2.5 V
输出电流 10 mA
供电电流 725 µA
输入电压Max 13 V
输出电压Min 2.5 V
输出电流Max 10 mA
工作温度Max 125 ℃
工作温度Min -40 ℃
输入电压 2.7V ~ 12.6V
安装方式 Surface Mount
引脚数 8
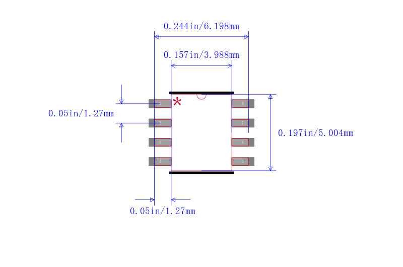
封装 SOIC-8
长度 5 mm
宽度 4 mm
高度 1.5 mm
封装 SOIC-8
工作温度 -40℃ ~ 125℃ TA
温度系数 ±5 ppm/℃
产品生命周期 Unknown
包装方式 Tape & Reel TR
RoHS标准 RoHS Compliant
含铅标准 Lead Free



| 型号/品牌 | 代替类型 | 替代型号对比 |
|---|---|---|
MAX6126AASA25+T Maxim Integrated 美信 | 当前型号 | 当前型号 |
MAX6126AASA25+ 美信 | 类似代替 | MAX6126AASA25+T和MAX6126AASA25+的区别 |