




125mA,频率可选,开关电容电压变换器
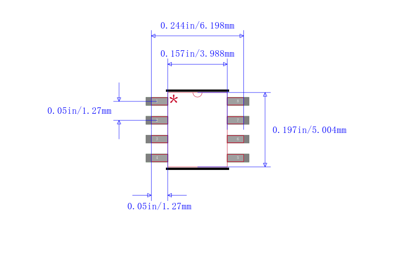
充电泵 开关稳压器 IC 正或负 固定 -Vin,2Vin 1 输出 125mA 8-SOIC(0.154",3.90mm 宽)
立创商城:
Vin=2V~5.5V 125mA
得捷:
IC REG CHARGE PUMP INV 8SOIC
安富利:
The MAX1680/MAX1681 inductorless switched-capacitor voltage converters either invert an input voltage of +2.0V to +5.5V or double it while supplying up to 125mA output current. They have a selectable-frequency option that allows the use of small capacitors: 4.7µF MAX1680, 1µF MAX1681. With their high output current capability, these charge-pump devices are suitable replacements for inductor-based regulators, which require more expensive external components and additional board space.The devices" equivalent output resistance typically 3.5Ω allows them to deliver as much as 125mA with only a 440mV drop. A shutdown feature reduces quiescent current to less than 1µA. The MAX1680/MAX1681 are available in 8-pin SO packages. For devices that deliver up to 50mA in smaller µMAX® packages, refer to the MAX860/MAX861 data sheet.
力源芯城:
125mA,频率可选,开关电容电压变换器
Win Source:
Charge Pump Switching Regulator IC Positive or Negative Fixed -Vin, 2Vin 1 Output 125mA 8-SOIC 0.154", 3.90mm Width



| 型号/品牌 | 代替类型 | 替代型号对比 |
|---|---|---|
MAX1681ESA+T Maxim Integrated 美信 | 当前型号 | 当前型号 |
MAX1681ESA+ 美信 | 完全替代 | MAX1681ESA+T和MAX1681ESA+的区别 |
MAX1681ESA 美信 | 完全替代 | MAX1681ESA+T和MAX1681ESA的区别 |
MAX1681ESA-T 美信 | 功能相似 | MAX1681ESA+T和MAX1681ESA-T的区别 |