




高速,低电压, CMOS模拟多路复用器/开关 High-Speed, Low-Voltage, CMOS Analog Multiplexers/Switches
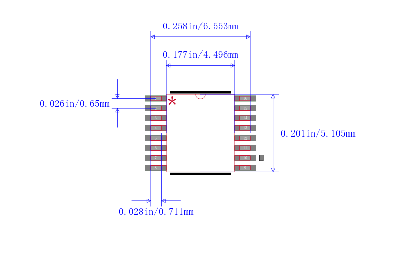
The from Products is a high speed, low voltage, CMOS analogue multiplexer in 16 pin TSSOP package. This 8 channel multiplexer has two supply pins, VCC and GND which are used to drive the internal CMOS switch and set the limits of analogue voltage on any switch. Reverse ESD protection diodes are internally connected between each analogue signal pin and both VCC and GND. If any analogue signal exceeds VCC or GND, one of these diodes conducts. Device is pin compatible with industry standard 74HC4051/74HC4052/74HC4053 and MAX4581/MAX4582/MAX4583. It is used in battery-operated equipment, audio/video signal routing, low-voltage data-acquisition systems and communications circuits.



| 型号/品牌 | 代替类型 | 替代型号对比 |
|---|---|---|
MAX4617CUE+T Maxim Integrated 美信 | 当前型号 | 当前型号 |
MAX4617EUE 美信 | 完全替代 | MAX4617CUE+T和MAX4617EUE的区别 |
MAX4617CUE-T 美信 | 完全替代 | MAX4617CUE+T和MAX4617CUE-T的区别 |
MAX4617CUE+ 美信 | 类似代替 | MAX4617CUE+T和MAX4617CUE+的区别 |